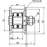
・本体はガラス繊維強化ナイロン製。
・ベアリングは単列深溝玉ベアリング・接触形ゴムシールを採用。
・ベルト面はクラウンのないフラット形状です。
共通仕様
| 本体 | ガラス繊維強化ナイロン66 |
|---|---|
| ベアリング | スティール、ゴムシール |
| ナット・ばね・座金 | スティール、三価クロメート処理 |
| ボルト | スティール |
| カラー | スティール、四三酸化鉄皮膜(黒) |
鍋屋バイテック会社
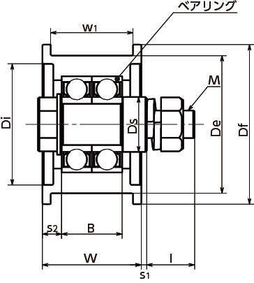
・本体はガラス繊維強化ナイロン製。
・ベアリングは単列深溝玉ベアリング・接触形ゴムシールを採用。
・ベルト面はクラウンのないフラット形状です。
| 本体 | ガラス繊維強化ナイロン66 |
|---|---|
| ベアリング | スティール、ゴムシール |
| ナット・ばね・座金 | スティール、三価クロメート処理 |
| ボルト | スティール |
| カラー | スティール、四三酸化鉄皮膜(黒) |
3件の型式
| 型式 | アイドラー | ベアリング | 軸 |
質量 (kg) |
|||||||||
|---|---|---|---|---|---|---|---|---|---|---|---|---|---|
| Df | De | Di | Ds | W | w1 | s2 | 呼び番号 | B | M | l | s1 | ||
| VFJ4520-6202 | 53 | 45 | 39 | 20 | 26 | 20 | 7.5 | 6202×1 | 11 | 10 | 16.9 | 3 | 0.15 |
| VFJ5030-6202W | 58 | 50 | 44 | 20 | 36 | 30 | 7 | 6202×2 | 22 | 10 | 17.4 | 2 | 0.24 |
| VFJ5045-6202W | 58 | 50 | 44 | 20 | 51 | 45 | 14.5 | 6202×2 | 22 | 10 | 19.4 | 2.5 | 0.26 |
| 型式 | 商品コード | 単位 |
価格 (円) |
基準納期 | |
|---|---|---|---|---|---|
| 日伝 | メーカー | ||||
| VFJ4520-6202 | VFJ4520-6202 | P | 1,740 | 在庫品 | 在庫品 |
| VFJ5030-6202W | VFJ5030-6202W | P | 2,450 | 在庫品 | 在庫品 |
| VFJ5045-6202W | VFJ5045-6202W | P | 2,550 | 在庫品 | 在庫品 |
製品についてのご質問やお困りごとなどお気軽にご相談ください!