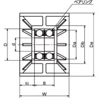
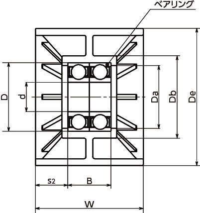
・本体はガラス繊維強化ナイロン製。
・ベアリングは単列深溝玉ベアリング・接触形ゴムシールを採用。
・ベルト接触面はクラインのないフラット形状です。
共通仕様
| 本体 | ガラス繊維強化ナイロン66 |
|---|---|
| ベアリング | スティール、ゴムシール |
鍋屋バイテック会社
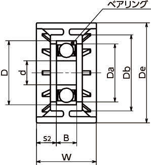
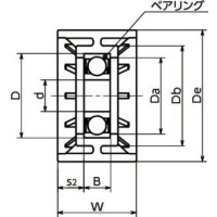
・本体はガラス繊維強化ナイロン製。
・ベアリングは単列深溝玉ベアリング・接触形ゴムシールを採用。
・ベルト接触面はクラインのないフラット形状です。
| 本体 | ガラス繊維強化ナイロン66 |
|---|---|
| ベアリング | スティール、ゴムシール |
2件の型式
| 型式 | アイドラー | ベアリング |
質量 (kg) |
適用 アイドラー軸 |
|||||||
|---|---|---|---|---|---|---|---|---|---|---|---|
| De | Da | Db | W | s2 | 呼び番号 | d | D | B | |||
| VFL5030-6201 | 50 | 29 | 38 | 30 | 10 | 6201×1 | 12 | 32 | 10 | 0.07 | Z6201-22 |
| VFL7055-6202W | 70 | 32 | 42 | 55 | 16.5 | 6202×2 | 15 | 35 | 22 | 0.20 | Z6202W-26 |
| 型式 | 商品コード | 単位 |
価格 (円) |
基準納期 | |
|---|---|---|---|---|---|
| 日伝 | メーカー | ||||
| VFL5030-6201 | VFL5030-6201 | P | 1,100 | 在庫品 | 在庫品 |
| VFL7055-6202W | VFL7055-6202W | P | 2,010 | 在庫品 | 在庫品 |
製品についてのご質問やお困りごとなどお気軽にご相談ください!