共通仕様
| 本体 | SUS303 |
|---|---|
| ベアリング | ステンレス |
| 止め輪 | ステンレス |
鍋屋バイテック会社
| 本体 | SUS303 |
|---|---|
| ベアリング | ステンレス |
| 止め輪 | ステンレス |
3件の型式
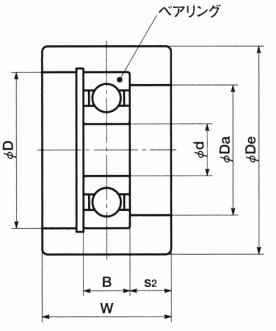
| 型式 | De | Da | W | s2 |
ベアリング 呼び番号 |
d | D | B | 適用アイドラー軸 |
質量 (kg) |
|
|---|---|---|---|---|---|---|---|---|---|---|---|
| 標準アイドラー軸 | アジャストホルダー専用 アイドラー軸 | ||||||||||
| VFLS-3020 | 30 | 19 | 20 | 7 | SS6900×1 | 10 | 22 | 6 | ZS6900-14 | - | 0.07 |
| VFLS-4025 | 40 | 25 | 25 | 8 | SS6200×1 | 10 | 30 | 9 | ZS6200-15 | - | 0.16 |
| VFLS-5030 | 50 | 25 | 30 | 10 | SS6201×1 | 12 | 32 | 10 | ZS6201-15 | - | 0.33 |
| 型式 | 商品コード | 単位 |
価格 (円) |
基準納期 | |
|---|---|---|---|---|---|
| 日伝 | メーカー | ||||
| VFLS-3020 | VFLS-3020 | P | 8,460 | - | 在庫品 |
| VFLS-4025 | VFLS-4025 | P | 9,810 | - | 在庫品 |
| VFLS-5030 | VFLS-5030 | P | 12,000 | - | 在庫品 |
製品についてのご質問やお困りごとなどお気軽にご相談ください!