SWA-AW
-
SWA-AW
・通常の平座金より外径・厚さのバリエーションが豊富です。
・長穴箇所の座面確保やアルミ・樹脂など限界座面圧の低い材料の締結に。
・組み立て時の累積誤差の調整用のカラー、スペーサとして。
<用途>
・高さ調整・座面の陥没防止
共通仕様
| 本体 | S45C相当 四三酸化鉄皮膜(黒) |
|---|
鍋屋バイテック会社
SWA-AW
SWA-AW
・通常の平座金より外径・厚さのバリエーションが豊富です。
・長穴箇所の座面確保やアルミ・樹脂など限界座面圧の低い材料の締結に。
・組み立て時の累積誤差の調整用のカラー、スペーサとして。
<用途>
・高さ調整・座面の陥没防止
| 本体 | S45C相当 四三酸化鉄皮膜(黒) |
|---|
185件の型式
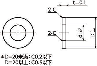
| 型式 |
d (mm) |
D (mm) |
t (mm) |
1袋 入り数 |
質量 (g) |
|---|---|---|---|---|---|
| SWA-2-8-1-AW | 2 | 8 | 1 | 10 | 0.38 |
| SWA-2-8-2-AW | 2 | 8 | 2 | 10 | 0.75 |
| SWA-3-8-1-AW | 3 | 8 | 1 | 10 | 0.35 |
| SWA-3-8-2-AW | 3 | 8 | 2 | 10 | 0.69 |
| SWA-3-10-1-AW | 3 | 10 | 1 | 10 | 0.56 |
| SWA-3-10-2-AW | 3 | 10 | 2 | 10 | 1.1 |
| SWA-3-12-1-AW | 3 | 12 | 1 | 10 | 0.83 |
| SWA-3-12-2-AW | 3 | 12 | 2 | 10 | 1.7 |
| SWA-3-15-1-AW | 3 | 15 | 1 | 10 | 1.3 |
| SWA-3-15-2-AW | 3 | 15 | 2 | 10 | 2.7 |
製品についてのご質問やお困りごとなどお気軽にご相談ください!