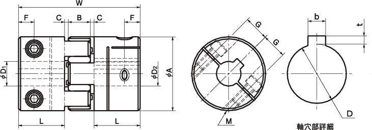
MJT-CK
-
MJT-CK
-
タイトフィット
-
ルーズフィット
・ジョータイプのフレキシブルカップリングです。
・低トルクにおいてゼロバックラッシュの伝達ができます。
・優れたフレキシビリティ。偏心・偏角に加え、ねじれ振動も吸収します。
・電気絶縁性があります。
・スリーブ硬度は4種類。トルク・ミスアライメントなど、ご使用条件に合わせて選定してください。
■タイトフィット
・ハブとスリーブが圧入されており、バックラッシュ0で使用できます。
・スリーブの振動吸収性により、サーボモータのゲインを上げられるため、ディスクカップリング以上の高応答運転を実現できます。
■イージーフィット
・ハブとスリーブをスムーズに組み立て・分解が可能です。
・装置の組み立て・メンテナンス時間を削減できます。
共通仕様
| 材質(ハブ) | A2017、アルマイト処理 |
|---|---|
| 材質(スリーブ) | ポリウレタン |
| 六角穴付きボルト | SCM435、四三酸化鉄皮膜(黒) |

