モノづくりの困ったを解決する総合サイト

Produced by

鍋屋バイテック会社

カップリング|カプリコン(ジョータイプ) MJTシリーズ(クランピング+キータイプ) MJT-CK

MJT-CK

  • MJT-CK

  • タイトフィット

  • ルーズフィット

・ジョータイプのフレキシブルカップリングです。
・低トルクにおいてゼロバックラッシュの伝達ができます。
・優れたフレキシビリティ。偏心・偏角に加え、ねじれ振動も吸収します。
・電気絶縁性があります。
・スリーブ硬度は4種類。トルク・ミスアライメントなど、ご使用条件に合わせて選定してください。

■タイトフィット
・ハブとスリーブが圧入されており、バックラッシュ0で使用できます。
・スリーブの振動吸収性により、サーボモータのゲインを上げられるため、ディスクカップリング以上の高応答運転を実現できます。

■イージーフィット
・ハブとスリーブをスムーズに組み立て・分解が可能です。
・装置の組み立て・メンテナンス時間を削減できます。

#カップリング
#ノンバックラッシ

共通仕様

材質(ハブ) A2017、アルマイト処理
材質(スリーブ) ポリウレタン
六角穴付きボルト SCM435、四三酸化鉄皮膜(黒)

詳細仕様

  • 3840件中 1-10件

  • 表示件数

3840件の型式

型式 タイプ スリーブ
タイプ
サイズ 寸法(mm) 寸法(mm) ねじ締めつけ
トルク
(N・m)
標準軸穴径(mm) キー溝D1 キー溝D2 バックラッシュ0
許容トルク
(N・m)
常用トルク
(N・m)
最大トルク
(N・m)
スリップトルク
(N・m)
最高回転数
(min-1)
慣性
モーメント
(kg・m2)
静的ねじり
ばね定数
(N・m/rad)
許容
偏心
(mm)
許容
偏角
(°)
許容
エンドプレイ
(mm)
質量
(g)
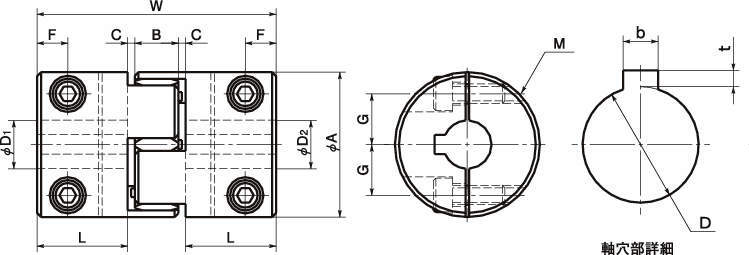
A L W B C F G M D1 D2 呼び 寸法 b t 呼び 寸法 b t
(mm) 許容差 (mm) 許容差 (mm) 許容差 (mm) 許容差
MJT-30CK-BL-10×14 クランピング+キー BL MJT-30CK 30 11 35 10 1.5 5.5 10 M4 2.5 10 14 4×4 4 ±0.0150 1.8 +0.1/0 5×5 5 ±0.0150 2.3 +0.1/0 0.5 4 8 - 21000 5.9×10^-6 46 0.2 1 +1.0/0 41
MJT-30CK-BL-10×15 クランピング+キー BL MJT-30CK 30 11 35 10 1.5 5.5 10 M4 2.5 10 15 4×4 4 ±0.0150 1.8 +0.1/0 5×5 5 ±0.0150 2.3 +0.1/0 0.5 4 8 - 21000 5.9×10^-6 46 0.2 1 +1.0/0 41
MJT-30CK-BL-10×16 クランピング+キー BL MJT-30CK 30 11 35 10 1.5 5.5 10 M4 2.5 10 16 4×4 4 ±0.0150 1.8 +0.1/0 5×5 5 ±0.0150 2.3 +0.1/0 0.5 4 8 - 21000 5.9×10^-6 46 0.2 1 +1.0/0 41
MJT-30CK-BL-11×14 クランピング+キー BL MJT-30CK 30 11 35 10 1.5 5.5 10 M4 2.5 11 14 4×4 4 ±0.0150 1.8 +0.1/0 5×5 5 ±0.0150 2.3 +0.1/0 0.5 4 8 - 21000 5.9×10^-6 46 0.2 1 +1.0/0 41
MJT-30CK-BL-11×15 クランピング+キー BL MJT-30CK 30 11 35 10 1.5 5.5 10 M4 2.5 11 15 4×4 4 ±0.0150 1.8 +0.1/0 5×5 5 ±0.0150 2.3 +0.1/0 0.5 4 8 - 21000 5.9×10^-6 46 0.2 1 +1.0/0 41
MJT-30CK-BL-11×16 クランピング+キー BL MJT-30CK 30 11 35 10 1.5 5.5 10 M4 2.5 11 16 4×4 4 ±0.0150 1.8 +0.1/0 5×5 5 ±0.0150 2.3 +0.1/0 0.5 4 8 - 21000 5.9×10^-6 46 0.2 1 +1.0/0 41
MJT-30CK-BL-12×14 クランピング+キー BL MJT-30CK 30 11 35 10 1.5 5.5 10 M4 2.5 12 14 4×4 4 ±0.0150 1.8 +0.1/0 5×5 5 ±0.0150 2.3 +0.1/0 0.5 4 8 - 21000 5.9×10^-6 46 0.2 1 +1.0/0 41
MJT-30CK-BL-12×15 クランピング+キー BL MJT-30CK 30 11 35 10 1.5 5.5 10 M4 2.5 12 15 4×4 4 ±0.0150 1.8 +0.1/0 5×5 5 ±0.0150 2.3 +0.1/0 0.5 4 8 - 21000 5.9×10^-6 46 0.2 1 +1.0/0 41
MJT-30CK-BL-12×16 クランピング+キー BL MJT-30CK 30 11 35 10 1.5 5.5 10 M4 2.5 12 16 4×4 4 ±0.0150 1.8 +0.1/0 5×5 5 ±0.0150 2.3 +0.1/0 0.5 4 8 - 21000 5.9×10^-6 46 0.2 1 +1.0/0 41
MJT-30CK-BL-14×14 クランピング+キー BL MJT-30CK 30 11 35 10 1.5 5.5 10 M4 2.5 14 14 5×5 5 ±0.0150 2.3 +0.1/0 5×5 5 ±0.0150 2.3 +0.1/0 0.5 4 8 - 21000 5.9×10^-6 46 0.2 1 +1.0/0 41

・C寸法を付けた状態でご使用ください。 ・スリップトルクは、軸のスリップトルクが、最大トルクよりも小さい場合のみ記載しています。

型式 商品コード 単位 価格
(円)
基準納期
日伝 メーカー
MJT-30CK-BL-10×14 MJT-30CK-BL-10-14 P 4,470 - 在庫品
MJT-30CK-BL-10×15 MJT-30CK-BL-10-15 P 4,470 - 在庫品
MJT-30CK-BL-10×16 MJT-30CK-BL-10-16 P 4,470 - 在庫品
MJT-30CK-BL-11×14 MJT-30CK-BL-11-14 P 4,470 - 在庫品
MJT-30CK-BL-11×15 MJT-30CK-BL-11-15 P 4,470 - 在庫品
MJT-30CK-BL-11×16 MJT-30CK-BL-11-16 P 4,470 - 在庫品
MJT-30CK-BL-12×14 MJT-30CK-BL-12-14 P 4,470 - 在庫品
MJT-30CK-BL-12×15 MJT-30CK-BL-12-15 P 4,470 - 在庫品
MJT-30CK-BL-12×16 MJT-30CK-BL-12-16 P 4,470 - 在庫品
MJT-30CK-BL-14×14 MJT-30CK-BL-14-14 P 4,470 - 在庫品

この製品を見た人はこのような製品も見ています

1952年設立で、動力伝導機器・産業機器・制御機器等の機械設備及び機械器具関連製品の販売をしている専門総合商社です。
日本国内で40以上の拠点を持ち、信頼性の高い製品と技術力で、全国のものづくりに携わる方々のあらゆるお困りごとを解決しています。

Loading...