FYAFS-E-X
-
FYAFS-E-X
耐久性にすぐれた金属製のレベリングアジャスタ。
・ねじ、パッドはステンレス製のため、耐蝕性にすぐれています。
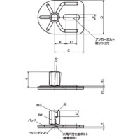
・アンカーボルト用の取りつけ穴があり、床面に固定ができます。衝撃や振動による機器・装置の転倒や位置ずれの防止に効果的です。
・アンカーボルト用の取りつけ穴は長穴タイプ、床面への穴加工後、機器・装置の位置調整ができます。
・パッドは6°まで傾きます。傾斜面での使用に効果的です。
・商品記号によりラバーディスクの有無が選択できます。ラバーディスクは機器・装備の滑り止めに効果的です。ラバーディスクはパッドに接着されています。機器・装置への取りつけ・取りはずしや移動時に、ラバーディスクの脱落を防止します。
共通仕様
| ねじ | SUS303 |
|---|---|
| パッド | SUS304 |
| 六角穴付き皿ボルト | ステンレス鋼 |
| ラバーディスク | ・FYAFS-E0-X:ー ・FYAFS-E3-X:NBR(黒)硬度ショアA70±5 |

