FYAMS-E-W
-
FYAMS-E-W
耐久性にすぐれた金属製のレベリングアジャスタ。
・ねじ、パッドはステンレス製のため、耐蝕性にすぐれています。
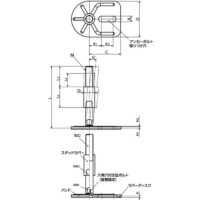
・機器、装置の高さ調整は、ねじ部の二面幅を利用してください。
・スタッドカバーにより、取りつけ後、ねじの露出がありません。ねじにゴミやホコリがたまりにくく、清掃性にすぐれています。衛生管理が求められる食品機械・医療品機械などの用途に。
・アンカーボルト用の取りつけ穴があり、床面に固定ができます。衝撃や振動による機器・装置の転倒や位置ずれの防止に効果的です。
・アンカーボルト用の取りつけ穴は長穴タイプ。床面への穴加工後、機器・装置の位置調整ができます。
・パッドは6°まで傾きます。傾斜面での使用に効果的です。
・商品記号によりラバーディスクの有無が選択できます。ラバーディスクは機器・装置の滑り止めに効果的です。ラバーディスクはパッドに接着されています。機器・装置への取りつけ・取りはずしや移動時に、ラバーディスクの脱落を防止します。
共通仕様
| ねじ | SUS303 |
|---|---|
| パッド | SUS304 |
| スタッドカバー | SUS303 |
| 六角穴付き皿ボルト | ステンレス鋼 |
| ラバーディスク | ・FYAMS-E0-W:− ・FYAMS-E3-W:NBR(黒)硬度ショアA70±5 |

