FEAMS-D0-W
-
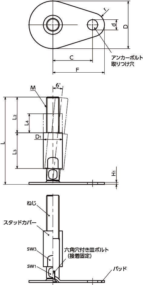
FEAMS-D0-W
耐久性にすぐれた金属製のレベリングアジャスタ。
・ねじ・パッドはステンレス製のため、耐蝕性にすぐれています。
・機器・装置の高さ調整は、ねじの二面幅を利用してください。
・スタッドカバーにより、取りつけ後、ねじの露出がありません。ねじにゴミやホコリがたまりにくく、清掃性にすぐれています。衛生管理が求められる食品機械・医薬品機械などの用途に。
・アンカーボルト用の取りつけ穴があり、床面に固定ができます。衝撃や振動による機器・装置の転倒や位置ずれの防止に効果的です。
・パッドは6°まで傾きます。傾斜面での使用に効果的です。
共通仕様
| ねじ | SUS303 |
|---|---|
| パッド | SUS304 |
| 六角穴付き皿ボルト | ステンレス鋼 |
| スタッドカバー | SUS303 |

