モノづくりの困ったを解決する総合サイト

Produced by

鍋屋バイテック会社

ネジコム(低頭ボルト)|ヘクサロビュラ穴付き超極低頭ボルト(インチねじ) SETS

・インチねじのヘクサロビュラ穴付き超極低頭ボルト。
・頭部高さはすべて1mm(0.4in)以下。
・機器・装置の省スペース化や上部スペースが限られた箇所に。
・ヘクサロビュラ穴は高い締めつけトルクに耐える形状です。
・取りつけ・取りはずしには、専用レンチ(SKX)もしくは、専用ビット(SKXB)と専用マグネットドライバSRDを組み合わせでご使用ください。
・狭い箇所での取りつけ・取りはずしには、狭所作業対応ヘクサロビュラレンチ(SKX-N)をご使用ください。
・ガス抜き穴つき・ナイロン溶着・クリーン洗浄・特殊梱包など、特殊仕様の商品を製作いたします。

【用途】
・機器・装置の省スペース化
・インチねじ仕様の機器・装置

#ボルト・ナット・ワッシャー

共通仕様

材質・仕上げ SUSXM7(SUS304相当)

CADメーカーTOP

詳細仕様

  • 17件中 1-10件

  • 表示件数

17件の型式

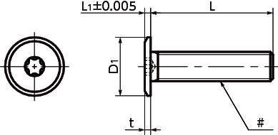
型式 #ねじの呼び L D1 L1 適用レンチ ヘクサロビュラ穴の
番号No.
t 最大締めつけトルク
(N・m)
質量
(g)
SETS-#4-40-1/4 No.4-40UCN 1/4 0.236 0.024 SKX-5 5 0.019 0.5 3
SETS-#4-40-5/16 No.4-40UCN 5/16 0.236 0.024 SKX-5 5 0.019 0.5 3.6
SETS-#4-40-3/8 No.4-40UCN 3/8 0.236 0.024 SKX-5 5 0.019 0.5 4.2
SETS-#6-32-1/4 No.6-32UCN 1/4 0.295 0.034 SKX-6 6 0.029 0.95 4.8
SETS-#6-32-3/8 No.6-32UCN 3/8 0.295 0.034 SKX-6 6 0.029 0.95 7
SETS-#6-32-1/2 No.6-32UCN 1/2 0.295 0.034 SKX-6 6 0.029 0.95 9
SETS-#6-32-3/4 No.6-32UCN 3/4 0.295 0.034 SKX-6 6 0.029 0.95 12
SETS-#8-32-1/4 No.8-32UCN 1/4 0.315 0.036 SKX-8 8 0.035 2.3 7.8
SETS-#8-32-3/8 No.8-32UCN 3/8 0.315 0.036 SKX-8 8 0.035 2.3 9.8
SETS-#8-32-1/2 No.8-32UCN 1/2 0.315 0.036 SKX-8 8 0.035 2.3 13

この製品を見た人はこのような製品も見ています

1952年設立で、動力伝導機器・産業機器・制御機器等の機械設備及び機械器具関連製品の販売をしている専門総合商社です。
日本国内で40以上の拠点を持ち、信頼性の高い製品と技術力で、全国のものづくりに携わる方々のあらゆるお困りごとを解決しています。

Loading...