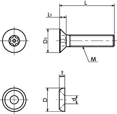
・ヘクサロビュラ穴付き皿ボルト(SRFXS)とロゼットワッシャ(SWAS-RW)のセット。
・皿モミ加工なしでSRFXSを使用できます。
・SRFXSは通常の工具では、取りつけ・取りはずしができません。また、SWAS-RWとセットで使用することにより、直接SRFXSを工具で挟んで回すことができないため、盗難防止性が向上します。
・取りつけ・取りはずしには専用レンチ(SRX)もしくは、専用ビット(SRXB)と専用マグネットドライバ(SRD)を組み合わせてご使用ください。
【用途】
機器・装置の分解・いたずら防止/屋外設備の盗難防止/セキュリティー対策/安全対策/装飾/ねじ頭部の引っかかり防止
共通仕様
| 材質・仕上げ | ヘクサロビュラ穴付き皿ボルト:SUS304相当 ロゼットワッシャ:SUS303 |
|---|

