DKSW
-
DKSW
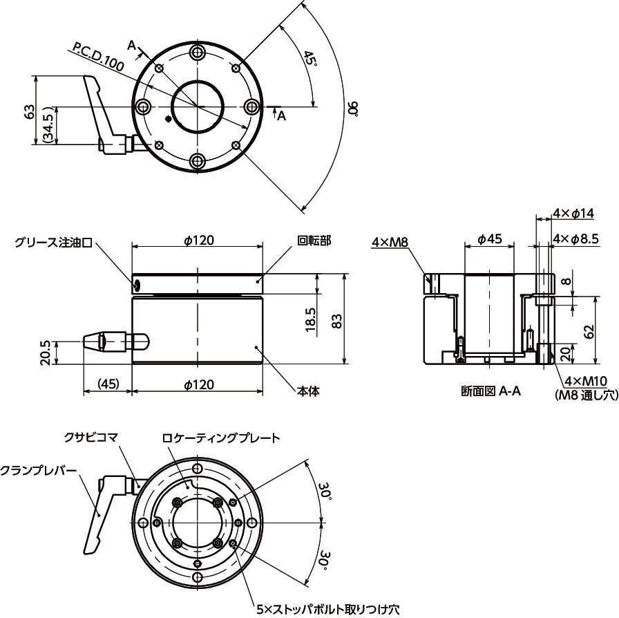
・工作機械などの操作盤を固定・回転させるためのユニット。
・回転部上面に操作盤を取りつけます。
・「DKSW」中央の穴から操作盤の配線を通すことができます。
・クランプレバーを締めつける事で、操作盤の回転をロックできます。
・クランプレバーのレバー部を引くことで、締めつけ後にレバー部の角度を任意の位置に変更できます。
・「DKSW」底面の任意の位置に付属のストッパボルトを取りつけることで、ロケーティングプレートの回転角度が制限され、操作盤の回転角度を設定することができます。回転角度は60°~360°の範囲で設定できます。
共通仕様
| 本体 | アルミニウム合金 静電塗装(つや消し黒) |
|---|---|
| 回転部 | 鋳鉄 低温黒色クロム処理 |
| ロケーティングプレート | スティール 四三酸化鉄皮膜(黒) |
| クサビコマ | ステンレス |
| クランピングレバー | 亜鉛ダイカスト 静電塗装(つや消し黒) |
| ストッパボルト M6×10 | スティール 四三酸化鉄皮膜(黒) |
| 止めねじ(グリース注油口) M6×6 | スティール 四三酸化鉄皮膜(黒) |

