・EPU-210、EPU-220の回転速度を低減し、トルクを増減させることができるため、高トルクが必要な個所にご利用いただけます。
共通仕様
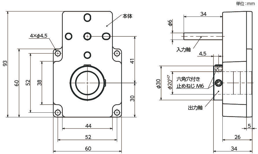
| 出力軸回転方向 | 入力軸と同方向 |
|---|---|
| 出力軸の許容荷重 | ラジアル荷重:190N(取りつけ面からの距離10mm) スラスト荷重:155N |
| バックラッシュ | 1°以下 |
| 使用温度範囲 | -5℃~55℃(凍結がないこと) |
鍋屋バイテック会社
・EPU-210、EPU-220の回転速度を低減し、トルクを増減させることができるため、高トルクが必要な個所にご利用いただけます。
| 出力軸回転方向 | 入力軸と同方向 |
|---|---|
| 出力軸の許容荷重 | ラジアル荷重:190N(取りつけ面からの距離10mm) スラスト荷重:155N |
| バックラッシュ | 1°以下 |
| 使用温度範囲 | -5℃~55℃(凍結がないこと) |
2件の型式
| 型式 | 減速比 | 定格トルク | 出力軸の保持トルク |
質量 (g) |
|---|---|---|---|---|
| EOAT-200-4 | 4 | 2.7N・m | 2.5N・m | 359 |
| EOAT-200-8 | 8 | 5.4N・m | 5N・m | 361 |
| 型式 | 商品コード | 単位 |
価格 (円) |
基準納期 | |
|---|---|---|---|---|---|
| 日伝 | メーカー | ||||
| EOAT-200-4 | EOAT-200-4 | P | 22,500 | - | 在庫品 |
| EOAT-200-8 | EOAT-200-8 | P | 22,500 | - | 在庫品 |
製品についてのご質問やお困りごとなどお気軽にご相談ください!