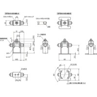
・Dカットボルトに取りつけたワークを角度調整できます。
・角度保持用ナットを締めつけることで、調整後の角度を保持します。
・Dカットボルトにディスプレイ固定部品DFRを組みつけて、ディスプレイやさまざまなワークを取りつけることができます。
・アルミフレーム端面取りつけ用ブラケットDAA、取りつけプレートDAF、丸パイプ用ブラケットは組みつけ寸法に互換性があるため、加工なしでそのまま組み合わせて使用できます。
<使用上の注意>
・角度保持用ナットをゆるめた状態でも角度調整には一定のトルク(0.1N・m)が必要です。角度調整の際、搭載物に過負荷が加わらないようにご注意ください。
・角度保持ナットを締めつけた状態で無理に角度調整しないでください。保持部が摩耗し、保持力が低下することがあります。
<用途>
工作機械/医療機器/FPD製造装置/半導体製造装置/梱包機械/食品機械
<取りつけ方法>
・Dカットボルトにワークを組みつけ、ワーク固定用ナットで固定してください。
・装置への取りつけは六角穴付きボルトを使用してください。
共通仕様
| ヒンジ | SPCC 静電塗装(黒) |
|---|---|
| 角度保持用ナット | S45C 三価クロメート処理 |
| Dカットボルト | SUS304 |
| ワーク固定用ナット | SUS304 |
| カバーキャップ | ポリエチレン(黒) |
| カラー | SPCC 三価クロメート処理 |

