WBS
-
WBS
-
WBH
-
WBH-SC(カバー付)
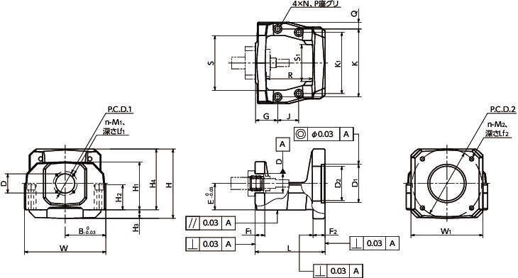
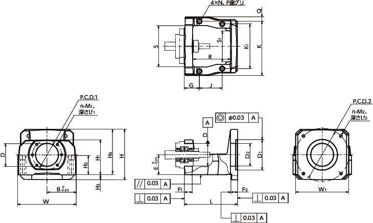
■ボールねじ駆動に適した鋳鉄製のモータブラケットです。
■サーボモータ・サポートユニット(固定側)・カップリングを組みつけるだけで位置決めテーブルの駆動部が構成できます。
■各メーカのサーボモータおよびサポートユニット(固定側)に対応しています。
■使用する機器・装置に合わせて商品が選択できます。
■耐蝕性にすぐれた表面処理
・本体には5μm程度の薄膜で膜厚のばらつきが少なく耐食性の高い低温黒色クロム処理をしています。
■一体構造(高精度)
・モータフランジとサポート軸受フランジが一体構造になっているため、フランジごとにおこなっていた芯出し作業を大幅に削減できます。
■アライメントをサポート
・リニアガイドに対してボールねじを平行に組みつける際に便利な基準面を2カ所設けています。
位置決めの手間を削減します。
共通仕様
| 本体 | FC250 低温黒色クロム処理 |
|---|---|
| 安全カバー | WBS-SC/WBH-SC:SUS304 2B |
| 六角穴付き極低頭ボルト | WBS-SC/WBH-SC:SCM435 無電解ニッケルメッキ |

