FKCS-HD-E
-
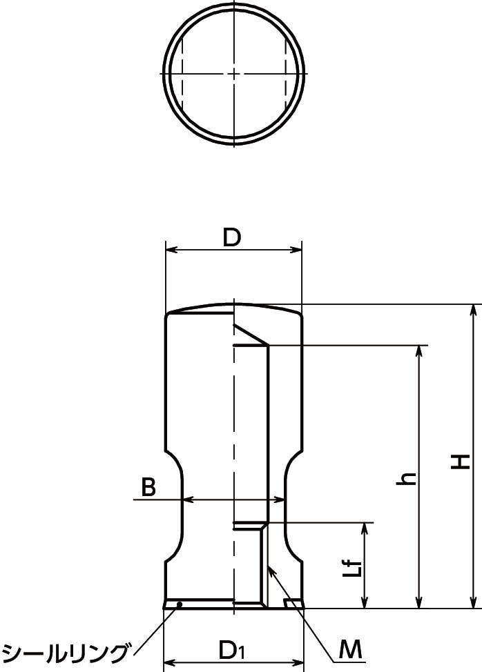
FKCS-HD-E
・ハイジェニックデザインのカバースリーブ。衛生管理が求められる食品機械・医療品機械などの用途に。
・ロックナットの代わりに締結部品として機能し、取りつけ後にねじの露出がありません。ねじに異物や液体がたまりにくく、清掃性にすぐれています。
・本体は耐蝕性に優れたSUS304相当のステンレス製。
・取りつけ面のすき間をシールリング[FSRN-HD-E]でシーリングしています。異物や液体の侵入を防ぎます。
・EPDM製のシーリングは、食品と識別しやすい水色を使用しています。また、米国食品医薬品局(FDA)の規格に準拠した材料を使用しています。
・EHEDG(欧州衛生工学・設計グループ)が定めるガイドラインの認証を取得しています。
・3A SSI (Sanitary Standard Inc.)が定める88−01やDGUV(ドイツ法定災害保険)が定めるガイドラインの認証を取得しています。
・使用可能温度:-40℃~120℃
共通仕様
| 本体 | SUS304相当 |
|---|---|
| シールリング | H-NBR(青) 硬度ショアA85±5 |

