モノづくりの困ったを解決する総合サイト

Produced by

鍋屋バイテック会社

カバースリーブ ハイジェニックデザイン FKCS-HD-H

FKCS-HD-H

  • FKCS-HD-H

・ハイジェニックデザインのカバースリーブ。衛生管理が求められる食品機械・医療品機械などの用途に。
・ロックナットの代わりに締結部品として機能し、取りつけ後にねじの露出がありません。ねじに異物や液体がたまりにくく、清掃性にすぐれています。
・本体は耐蝕性に優れたSUS304相当のステンレス製。
・取りつけ面のすき間をシールリング[FSRN-HD]でシーリングしています。異物や液体の侵入を防ぎます。
・H-NBR製のシーリングは、食品と識別しやすい青色を使用しています。また、米国食品医薬品局(FDA)の規格に準拠した材料を使用しています。
・EHEDG(欧州衛生工学・設計グループ)が定めるガイドラインの認証を取得しています。
・3A SSI (Sanitary Standard Inc.)が定める88−01やDGUV(ドイツ法定災害保険)が定めるガイドラインの認証を取得しています。
・使用可能温度:-25℃~150℃

#ハイジェニックデザイン

共通仕様

本体 SUS304相当
シールリング EPDM(水色)
硬度ショアA85±5

詳細仕様

  • 4件中 1-4件

  • 表示件数

4件の型式

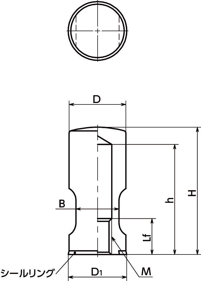
型式 M
(mm)
Lf
(mm)
H
(mm)
h
(mm)
B
(mm)
D
(mm)
D1
(mm)
質量
(g)
適用シールリング
FKCS-M12-56-HD-H M12 15.5 56 50 19 25 25.8 159 FSRN-25-21-2-HD
FKCS-M16-62-HD-H M16 20.5 62 55 22 28 28.8 200 FSRN-28-24-2-HD
FKCS-M20-68-HD-H M20 25.5 68 60 27 32 32.8 272 FSRN-32-28-2-HD
FKCS-M24-74-HD-H M24 30.5 74 65 30 36 36.8 352 FSRN-36-32-2-HD

型式 商品コード 単位 価格
(円)
基準納期
日伝 メーカー
FKCS-M12-56-HD-H FKCS-M12-56-HD-H P 6,360 - 10日間
FKCS-M16-62-HD-H FKCS-M16-62-HD-H P 7,230 - 10日間
FKCS-M20-68-HD-H FKCS-M20-68-HD-H P 8,300 - 10日間
FKCS-M24-74-HD-H FKCS-M24-74-HD-H P 9,890 - 10日間

この製品を見た人はこのような製品も見ています

1952年設立で、動力伝導機器・産業機器・制御機器等の機械設備及び機械器具関連製品の販売をしている専門総合商社です。
日本国内で40以上の拠点を持ち、信頼性の高い製品と技術力で、全国のものづくりに携わる方々のあらゆるお困りごとを解決しています。

Loading...