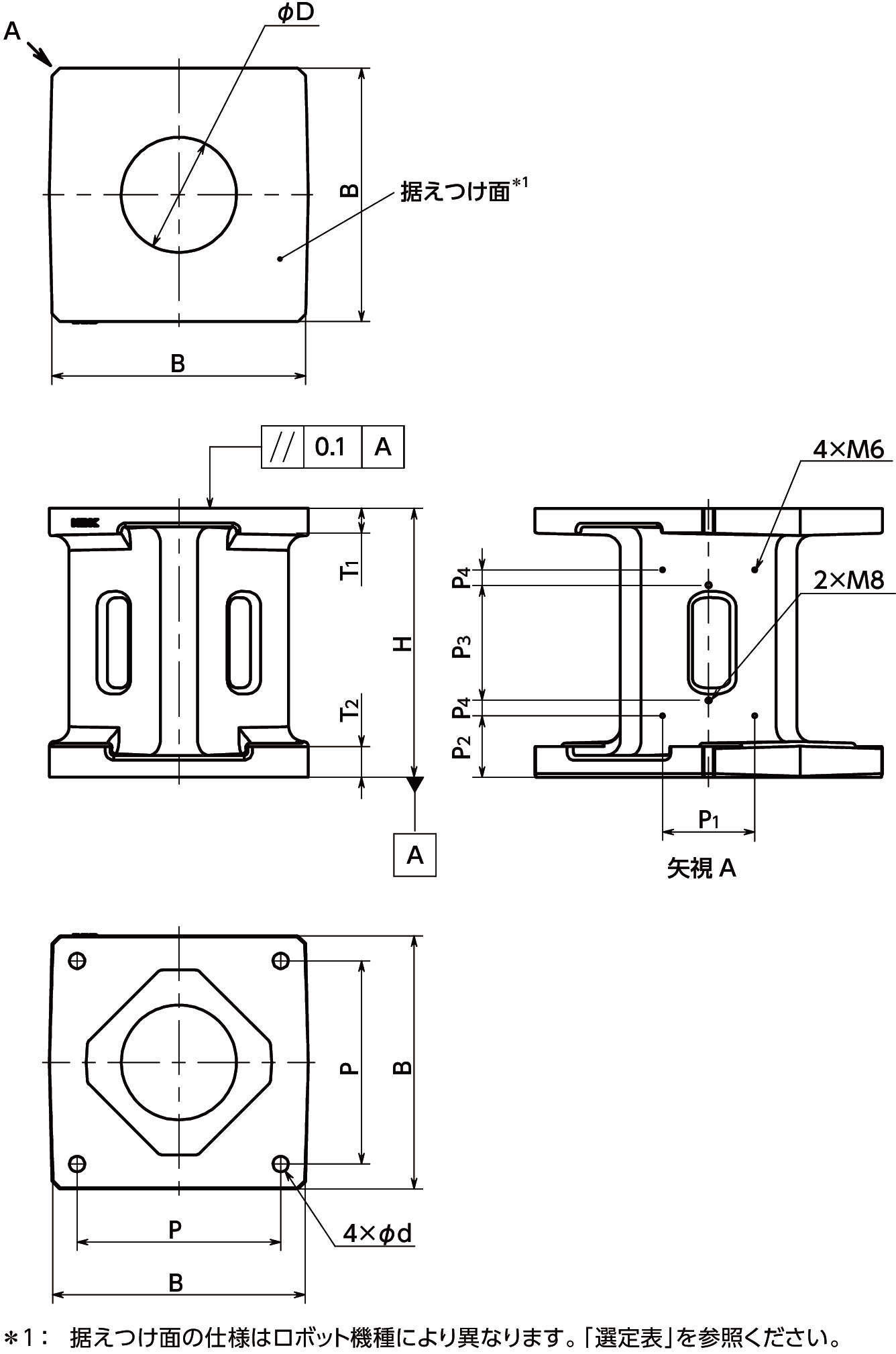
・ロボットの据えつけ高さを調整する鋳鉄製架台です。
・可搬重量3kg~25kgのファナック製ロボットに対応しています。
・ロボットベースの基準面を当てて位置決めするための突き当て部を設けています。
※適応ロボットによっては、ピンで位置決めをする場合があります。
・ロボットスタンド側面のねじ穴は、空気圧機器などの取りつけにご利用できます。
・特殊仕様の商品にも対応します。お問い合わせください。
共通仕様
| 材質・仕上げ | FC250 塗装(青色) |
|---|
-
寸法図
-
カタログ・チラシ
-
特集
-
CAD
-
【ロボット周辺機器特集】ロボット性能を大幅に引き上げる周辺機器
ロボットの性能を最大限に引き出し、省力化・省人化を加速させるためには、ロボット単体では不十分…。周辺機器を見直すことでロボット導入効果をより高めることが可能です!
顧客ニーズの多様化で求められる多品種少量生産に、幅広く応えられる環境を整えよう!
ロボットの性能をさらに引き出して、効率的に!
\ツール交換の省力化、こじり・断線によるチョコ停・ドカ停を防止/
❶ ロータリージョイント:配線・配管の絡み・断線を防止
・スッキリまとめ、絡みや断線を防止 ・ 配回し作業のエ数低減
・ ロボット手首周りの省スペース化が可能
・ 協働ロボットで配線・配管が人に当たらず安全
❷ ツールチェンジャー:ロボットによる自動段取り変え
・ロボットツールを自動/手動ワンタッチ交換
・ハンド&チャック等の多様なツールに対応
・複数の作業をロボット1台で完結 ・多品種ワークのFA化を実現
❸ 自動調芯装置:ロボットの芯ズレ吸収
・ワークの挿入、組立工程がスムーズ ・ラフなティーチングでもしっかり調芯
❹ ハンド&チャック:数g~100kg以上のワークに対応<
・多彩なワークのハンドリングに対応【ツールチェンジャー】ロボットの多機能化に対応!
\繰り返し精度±0.003mm 高精度・高剛性・高寿命/ ……………………………………………………
高精度オートハンドチェンジャーKHB/近藤製作所
・軽量、コンパクトボディ
・落下防止機構・強制払い出し機構を標準搭載
・ロボット可搬に合わせた豊富なサイズ
【動画】
KHBシリーズ
高精度オートハンドチェンジャー 商品紹介動画です。
着脱繰り返し精度は±0.003mmと業界ナンバー1の高精度!\高速・ノンストップな ツール交換で作業効率向上/ ……………………………………………………
SMARTSHIFT ロボットシステム/イマオコーポレーション
・水平移動で簡単スライド交換
・交換の駆動源にエア・電気不要
・高精度なティーチング不要
・自動・手動交換どちらも対応
・コンパクト・軽量
【動画】
ロボットアームの水平移動だけで簡単にツール交換ができるメカ式ロボットツールチェンジャーです。 交換時にエアや電力は不要で、ロボットアームの直進運動のみで交換を行うため、高精度なティーチングは不要です。
また自動交換だけでなく、人による手動交換も可能です。
ロボットの有効活用を可能にし、稼働率の向上と導入効果を引き出します。\一台のロボットで 多彩なワークに対応/ …………………………………………………………………
マルチハンドアダプタ RMMA/SMC
・複数個ワークの同時搬送が可能
・グリッパ最大3台取付可能
・ツールチェンジ時間の短縮
・3種類のグリッパ取付角度
・ロボット側アームの先端取付規格:ISO9409-1-50-4-M6相当
【ロータリージョイント】配線・配管のトラブルを解消!
\配管のトラブルを解消!薄型・低摺動のロボット用ロータリージョイント/ …………………………
ロータリージョイントRJA/近藤製作所
・ロボットの配線・配管の絡みを防止
・ロボットへ直接取付けが可能な固定ボルトを内蔵
・7kg可搬、25kg可搬を新たにラインナップ
・電気信号最大12芯、エア回路最大6点(RJA-25A)
【動画】
品名:小型パラレルリンクロボット用 ロータリージョイント
型式:RJA-0.5A
仕様:エアー2本と電気信号3本をエンドレスで回転できます。
ロボットに絡みつくことなく、ツール側へ供給が可能!高加速度にも耐えうる、高寿命・高剛性\グリッパ回転時に電気・エアをロボットからグリッパへ中継し、ケーブル破損を防ぐ/ …………………………
ロータリディストリビュータ DVR/鍋屋バイテック会社
・ケーブルの破損や干渉を防止
・チョコ停リスクを排除可能
・モーメントが小さくなり、ロボットの小型化・小容量化に貢献
・IPが高い
・電気とエアどちらも中継可能
【自動調芯装置】ロボット搬送の芯ズレを解消!
\組立作業などに、スムーズなハメアイ結合が可能/ ……………………………………………………
クイックアジャスタQRE/近藤製作所
・低摺動な自動調芯装置
・ロボット可搬に合わせた豊富なサイズバリエーション
・繰り返し精度は±0.02mmの高精度
・軽量コンパクトボディ
【動画】
クイックアジャスタ の商品紹介です。
その他のサイズ、仕様も1個から特殊対応致します。\ロボット搬送の芯ズレを簡単に補正可能/ ………………………………………………………………
コンプライアンスモジュール WRC/コスメック
・低摺動な自動調芯装置
・ロボット可搬に合わせた豊富なサイズバリエーション
・繰り返し精度は±0.02mmの高精度
・軽量コンパクトボディ
【動画】
ロボット搬送の芯ズレを補正
【ハンド】多彩なワークのハンドリングに対応!
\ゴムシートフィンガにより 不定形ワークを把持可能/ …………………………………………………
弾性フィンガ MH-X7654/SMC
・狭ピッチで並んだワークの把持が可能
・ワーク形状にならったフィンガの設計が不要
<材質>
・シリコーンゴム(青色)
FDA(米国食品医薬品局)規格、食品衛生法規格に適合した材料を使用
・EPDM(黒色)
【動画】
SMCの弾性フィンガを用いて、飲物容器を持ち上げる様子をご覧になれます。
弾性フィンガMH-X7654シリーズは、ゴムシートフィンガにより不定形ワークを把持可能。
\大きさ・形状を問わず、ワークを柔らかく把持/ ………………………………………………………
ラティスハンド/KiQ Robotics
・独自の技術の格子構造をもつ指先の内部により硬さと柔らかさを絶妙に配置
・人の爪と指の機能を再現
・既存の設備に取り付けるだけで異なる形状のワークにも対応が可能
【動画】
通い箱をハンドリングするラティス柔軟指を開発しました。
パレタイズ・デパレタイズロボットでの活用を想定しています。
この柔軟指は立体の格子構造で構成されており、3Dプリンタでしか造形できない複雑形状をしています。
この構造によって耐久性をそのままに「やわらかさ」を実現しています。\非常に小型で軽量!ロボットハンド指先ヘの搭載に最適/ …………………………………………
小型6軸力覚センサー/ミネベアミツミ
・フォース3軸、モーメント3軸の6軸力覚センサー
・MEMSチップと金属構造体のハイブリッド構造により6軸検出を行います
・世界最小、最軽量クラス
・デジタル出力(SPI)
・複数軸同時入力時の誤差低減
【周辺機器】ロボット設計・設置をよりスムーズに!
\簡単選定!短納期対応可能のロボット用鋳鉄製架台/ …………………………………………………
ロボットスタンド(ロボット架台)/鍋屋バイテック会社
・ロボットが最大加速速度で動作した場合の動的な負荷に耐える強度で対応
・さまざまなロボットに対応し、設計・調達の手間を省きます
・ 鋳物一体型:標準品としてラインアップ
・本体:FC250 塗装(青色)
\COBOTTA PROの高い 生産性を支える高剛性台車/ …………………………………………………
COBOTTA PRO専用台車 ZFM-C605/SUS
・ロボットの高速動作を強固に支える高剛性台車で、揺れを抑えて高い生産性を実現
・手軽なハンドル操作でキャスターへの切替可能
・面倒なアジャスタ調整の手間なし
\ケーブルの長寿命化を図り 断線による装置停止リスクを回避/ …………………………………………
プラシリーズ3次元 TKRB形/椿本チエイン
・大きな張力に対応できる3次元ケーブルベヤ
・オープン構造により取り扱いが容易
・ワイヤ内蔵により高い引張強度を実現
・豊富なアクセサリ類をご用意
・切り継ぎによる長さ調整が可能














