USP-A4-HD-E
-
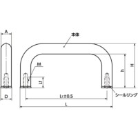
USP-A4-HD-E
・ハイジェニックデザインの取っ手。衛生管理が求められる食品機械・医薬品機械などの用途に。
・取りつけ面のすき間をシールリングFSRN-HD-Eでシーリングしています。異物や液体の侵入を防ぎます。
・表面の仕上げはRa0.8μm未満。清掃性にすぐれています。
・EPDM製のシールリングは、食品と識別しやすい水色を使用しています。また、米国食品医薬品局(FDA)の規格に準拠した材質を使用しています。
・本体は耐蝕性にすぐれたSUS316L製。
・EHEDG(欧州衛生工学・設計グループ)が定めるガイドラインに準拠しています。
・DGUV(ドイツ法定火災保険)が定めるガイドラインの認証を取得しています。
・使用可能温度:-40~120℃
・商品記号により、表面処理が選択できます。
USP-A4-HD-E=ショットブラスト
USP-A4-HP-HD-E=研磨
共通仕様
| 本体 | USP-A4-HD-E:SUS316 ショットブラスト USP-A4-HP-HD-E:SUS316L 研磨 |
|---|---|
| シールリング | EPDM(水色) 硬度ショアA85±5 |

