SNPI3-SUC
-
SNPI3-SUC
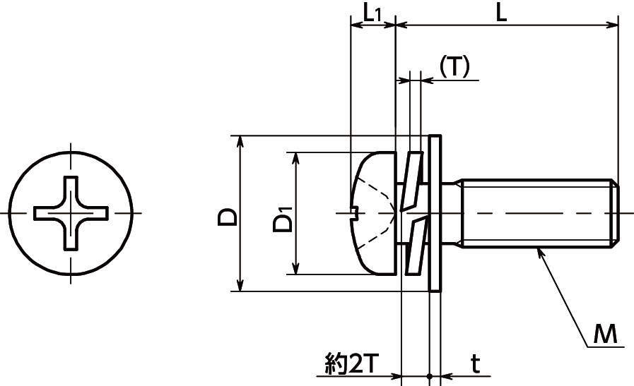
・スティール製の薄板固定用座金組込み十字穴付きなべ小ねじ。
・ねじに旧JISの平座金とばね座金が組み込まれており、脱落の心配がありません。(座金の略称:P=3)
・通常の座金組込みねじに比べ、不完全ねじ部を短くすることで薄板の締結を可能にしています。締結可能な板厚は通常の座金組込みねじの半分以下です。
・機器・装置の省スペース化や上部スペースが限られた箇所に。
・寸法・材質・頭部形状など、特殊仕様の薄板固定用ボルトも製作いたします。お問い合わせください。
<用途>
・外装パネル/半導体製造装置/機器・装置構造体/海洋機器/一般産業機械機器・装置の省スペース化
共通仕様
| ねじ本体 | SWCH10R 三価クロメート処理 |
|---|---|
| ねじ本体強度区分 | 4.8 |
| 平座金 | SWRH62 三価クロメート処理 |
| ばね座金 | SPCC 三価クロメート処理 |

