SNSQS-SUC
- 
                
SNSQS-SUC
 
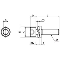
                ・ステンレス製の薄板固定用座金組込み六角穴付きボルト。
・ねじに旧JISの平座金とばね座金が組み込まれており、脱落の心配がありません。(座金の略称:P=3)
・通常の座金組込みねじに比べ、不完全ねじ部を短くすることで薄板の締結を可能にしています。締結可能な板厚は通常の座金組込みねじの半分以下です。
・寸法・材質・頭部形状など、特殊仕様の薄板固定用ボルトも製作いたします。お問い合わせください。
<用途>
・外装パネル/半導体製造装置/機器・装置構造体/海洋機器/一般産業機械
              
共通仕様
| ねじ本体 | SUSXM7(SUS304相当) | 
|---|---|
| ねじ本体強度区分 | A2-50 | 
| 平座金 | SUS304 | 
| ばね座金 | SUS304 | 

              
                    
                            
                  
                  
                  
                  