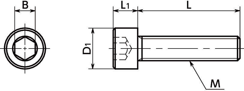
SNSLG-RY
-
SNSLG-RY
・高強度のステンレス製六角穴付きボルト。
・引張強さ1000N/mm2、0.2%耐力800N/mm2
・一般的なステンレス製の六角穴付きボルトに比べ約1.8倍の耐力があります。ねじ径のサイズダウンや本数削減による省スペース・軽量化が可能です。
・SUS316L製。耐蝕性にすぐれています。
・非磁性。
・耐蝕性・耐薬品性・耐摩耗性にすぐれています。
・アウトガスが少なく真空環境下で使用できます。
・すぐれた潤滑性。ねじのかじり・焼きつき防止に適しています。
・分光反射率1.5%以下。反射防止を必要とする光学機器などの用途に。
・JIS B 1176、ISO 4762、DIN 912に準拠。
<用途>
・かじり・焼きつき防止
・省スペース化・軽量化
・光学機器/FPD製造装置/半導体製造装置/機器・装置構造体/一般産業機械
共通仕様
| 本体 | SUS316L 低温黒色クロム処理 |
|---|

