モノづくりの困ったを解決する総合サイト

Produced by

鍋屋バイテック会社

ネジコム(六角穴付きボルト)|フランジ付き六角穴付きボルト(PTFEコーティング) SFSS-TF

SFSS-TF

  • SFSS-TF

・頭部のフランジによって座面が大きくなるため、通常の六角穴付きボルトと比べ被締結材にかかる圧力が分散され、座面陥没が生じにくくなっています。また、キリ穴径が大きい場合でも、座面を確保することができます。
・座金の組み込み作業が不要で、部品点数を削減できます。
・座金を使用していないため、ロボットによるねじ締め自働化に最適です。
・耐薬品性にすぐれています。
・すぐれた潤滑性。ねじのかじり・焼きつき防止に適しています。

<用途>
・かじり・焼きつき防止
・FPD製造装置/半導体製造装置/プリント基板エッチング装置/金属表面処理設備/化学プラント

# ボルト・ナット・ワッシャー

共通仕様

本体 SUSXM7(SUS304相当)
PTFE(四ふっ化エチレン)コーティング
強度区分 A2-70

CADメーカーTOP

詳細仕様

  • 22件中 1-10件

  • 表示件数

22件の型式

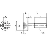
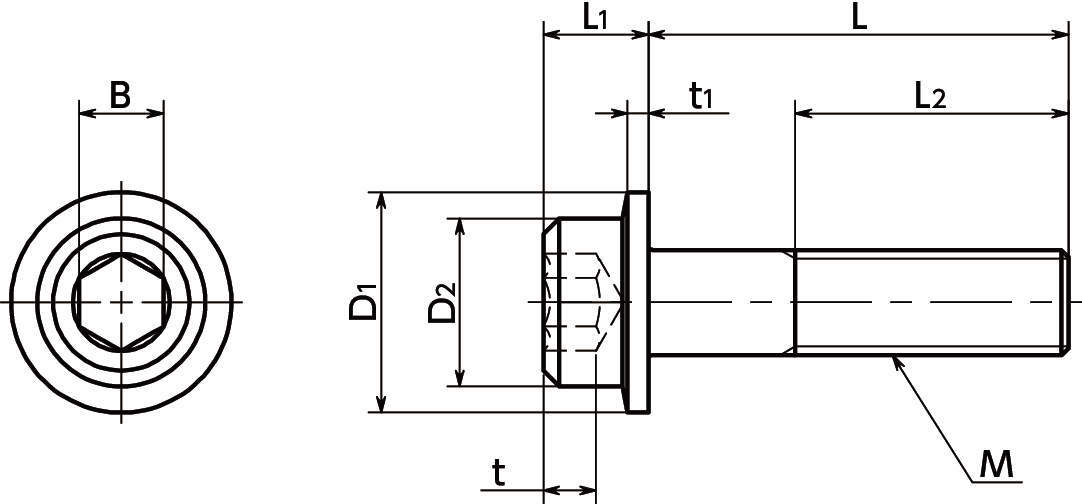
型式 M(並目) L
(mm)
D1
(mm)
D2
(mm)
L1
(mm)
L2
(mm)
B
(mm)
t
(mm)
t1
(mm)
質量
(g)
ねじの呼び ピッチ
SFSS-M4-6-TF M4 0.7 6 9 7 4 全ねじ 3 2 0.8 1.5
SFSS-M4-8-TF M4 0.7 8 9 7 4 全ねじ 3 2 0.8 1.7
SFSS-M4-10-TF M4 0.7 10 9 7 4 全ねじ 3 2 0.8 1.8
SFSS-M4-12-TF M4 0.7 12 9 7 4 全ねじ 3 2 0.8 2
SFSS-M4-16-TF M4 0.7 16 9 7 4 全ねじ 3 2 0.8 2.2
SFSS-M4-20-TF M4 0.7 20 9 7 4 全ねじ 3 2 0.8 2.6
SFSS-M5-8-TF M5 0.8 8 11 8.5 5 全ねじ 4 2.5 1 2.9
SFSS-M5-10-TF M5 0.8 10 11 8.5 5 全ねじ 4 2.5 1 3.2
SFSS-M5-12-TF M5 0.8 12 11 8.5 5 全ねじ 4 2.5 1 3.4
SFSS-M5-16-TF M5 0.8 16 11 8.5 5 全ねじ 4 2.5 1 3.9

型式 商品コード 単位 価格
(円)
基準納期
日伝 メーカー
SFSS-M4-6-TF SFSS-M4-6-TF P 620 - -
SFSS-M4-8-TF SFSS-M4-8-TF P 620 - -
SFSS-M4-10-TF SFSS-M4-10-TF P 620 - -
SFSS-M4-12-TF SFSS-M4-12-TF P 620 - -
SFSS-M4-16-TF SFSS-M4-16-TF P 640 - -
SFSS-M4-20-TF SFSS-M4-20-TF P 640 - -
SFSS-M5-8-TF SFSS-M5-8-TF P 640 - -
SFSS-M5-10-TF SFSS-M5-10-TF P 640 - -
SFSS-M5-12-TF SFSS-M5-12-TF P 640 - -
SFSS-M5-16-TF SFSS-M5-16-TF P 640 - -

この製品を見た人はこのような製品も見ています

1952年設立で、動力伝導機器・産業機器・制御機器等の機械設備及び機械器具関連製品の販売をしている専門総合商社です。
日本国内で40以上の拠点を持ち、信頼性の高い製品と技術力で、全国のものづくりに携わる方々のあらゆるお困りごとを解決しています。

Loading...