PLKリニアクランパ・ズィー用アダプタプレート
-
PLKリニアクランパ・ズィー用アダプタプレート
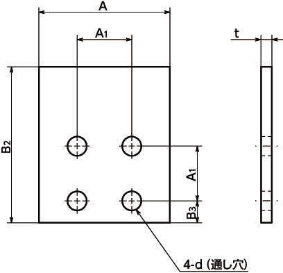
LKP,LKPS,LBPSの高さをキャリッジの高さに揃えることができます。
鍋屋バイテック会社
PLKリニアクランパ・ズィー用アダプタプレート
PLKリニアクランパ・ズィー用アダプタプレート
LKP,LKPS,LBPSの高さをキャリッジの高さに揃えることができます。
2件の型式
| 型式 | A | A1 | B2 | B3 | t |
d (通し穴) 適用ねじサイズ |
質量 (kg) |
|---|---|---|---|---|---|---|---|
| PLK-20-2 | 44 | 20 | 52 | 7 | 2 | M5 | 0.04 |
| PLK-25-4 | 48 | 20 | 57 | 8 | 4 | M6 | 0.09 |
| 型式 | 商品コード | 単位 |
価格 (円) |
基準納期 | |
|---|---|---|---|---|---|
| 日伝 | メーカー | ||||
| PLK-20-2 | PLK-20-2 | P | 12,800 | - | 30日間 |
| PLK-25-4 | PLK-25-4 | P | 8,010 | - | 30日間 |
製品についてのご質問やお困りごとなどお気軽にご相談ください!