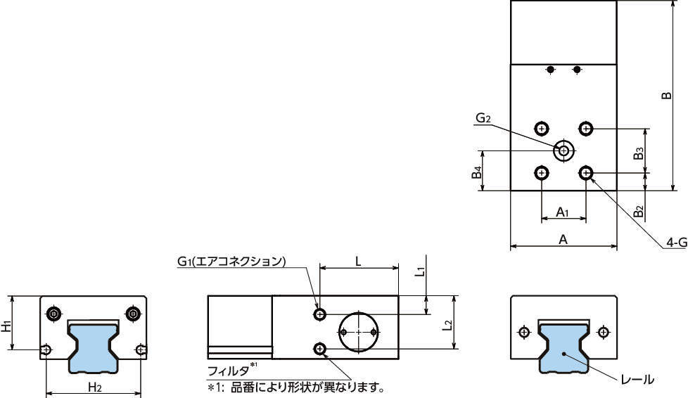
リニアクランパ・ズィー LBPS
-
リニアクランパ・ズィー LBPS
・スリムタイプ
・ブレーキ機構つき。
緊急用ブレーキとして使用できます。システムのシャットダウン時に空気圧を排出する制御装置と組み合わせてご使用下さい。
・テーブル保持・位置ぎめ・びびり防止にも使用できます。
・常時閉(Normally Closed)タイプです。
空気圧供給時:クランプを開放します。
空気圧排出時:ばねの力でリニアガイドウェイのレールをクランプします。
・コンパクト設計
・既存システムへの組付けも容易です。リニアガイドウェイのレールの延長、テーブルサイズの変更など、設計変更は不要です。
・LBPSには、マグネットセンサ用のセンサスロットがあります。
別売りのマグネットセンサ「MFS」を使用することで、クランプ・アンクランプ状態をLEDの点灯状態で確認できます。
但し品番末尾に「-A」と記載されている商品に限ります。
共通仕様
| 制御方式 | 空気圧・常時閉 |
|---|---|
| 開放圧力 | 0.55MPa |
| 最高使用圧力 | 0.65MPa |
| レスポンスタイム | max.0.06s |
| クランプ寿命 | 500万回 |
| ブレーキ寿命 | 500回 |
| 使用温度 | -10℃~+70℃ |
| 適用レールの呼び | #15~#55 |
| プラスコネクション | 不可 |

