リニアクランパ・ズィー LKPS
-
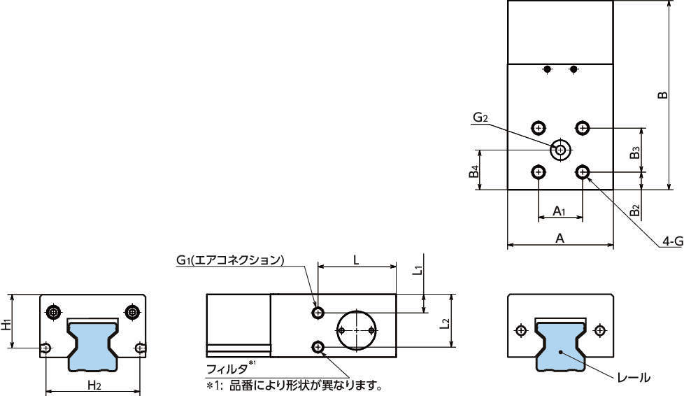
リニアクランパ・ズィー LKPS
・スリムタイプ
・テーブルの保持・位置ぎめ・びびり防止に。
・常時閉(Normally Closed)タイプです。
空気圧供給時:クランプを開放します。
空気圧排出時:ばねの力でリニアガイドウェイのレールをクランプします。
・コンパクト設計
・既存システムへの組付けも容易です。リニアガイドウェイのレールの延長、テーブルサイズの変更など、設計変更は不要です。
・LKPSには、マグネットセンサ用のセンサスロットがあります。
別売りのマグネットセンサ「MFS」を使用することで、クランプ・アンクランプ状態をLEDの点灯状態で確認できます。
但し品番末尾に「-A」と記載されている商品に限ります。
共通仕様
| 制御方式 | 空気圧・常時閉 |
|---|---|
| 開放圧力 | 0.55MPa |
| 最高使用圧力 | 0.65MPa |
| レスポンスタイム | max.0.06s |
| クランプ寿命 | 500万回 |
| 使用温度 | -10℃~+70℃ |
| 適用レールの呼び | #15~#55 |
| プラスコネクション | 不可 |

