RDPS/RDTS
-
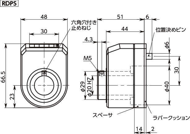
RDPS/RDTS
・ハブ部は耐蝕性にすぐれたステンレス製。
・送り回転軸にセットするだけで送り量のデジタル表示が可能です。
・送り回転軸のピッチに合わせて選択できます。
・全商品にラバークッションおよび回転軸固定のための六角穴付き止めねじが付属しています。
・水滴などの侵入を防ぐため、ハブ部のシール性を高めてあります。
共通仕様
| 本体 | ナイロン6(オレンジ・グレー) |
|---|---|
| ハブ | SUS303 |
| 六角穴付き止めねじ | SUS303 |
| ラバークッション | ポリエチレン |
| スペーサ | ナイロン6(つや消し黒) |

