LHMS-W-CR
-
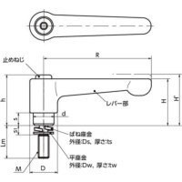
LHMS-W-CR
■ばね座金が組み込まれた、ねじ部がステンレス製のクランプレバー。
■ばね座金を組み込む作業が不要です。
■特殊形状の平座金が、ばね座金の脱落を防止します。
■レバー形状はフラットタイプ。上部スペースに制限がある用途に適しています。
■平座金はねじ山に沿って回転させることで、取りはずすことができます。ばね座金を別の座金部品に交換することもできます。
■レバー部はクロムメッキで美しい仕上がり。
共通仕様
| レバー部 | 亜鉛ダイカスト、クロムメッキ |
|---|---|
| ねじ部 | SUS303 |
| ばね座金 | SUS304 |
| 平座金 | SUS304 |
| 止めねじ | SUS304 |
| スプリング | ステンレス鋼線 |

