LZXS-GV
-
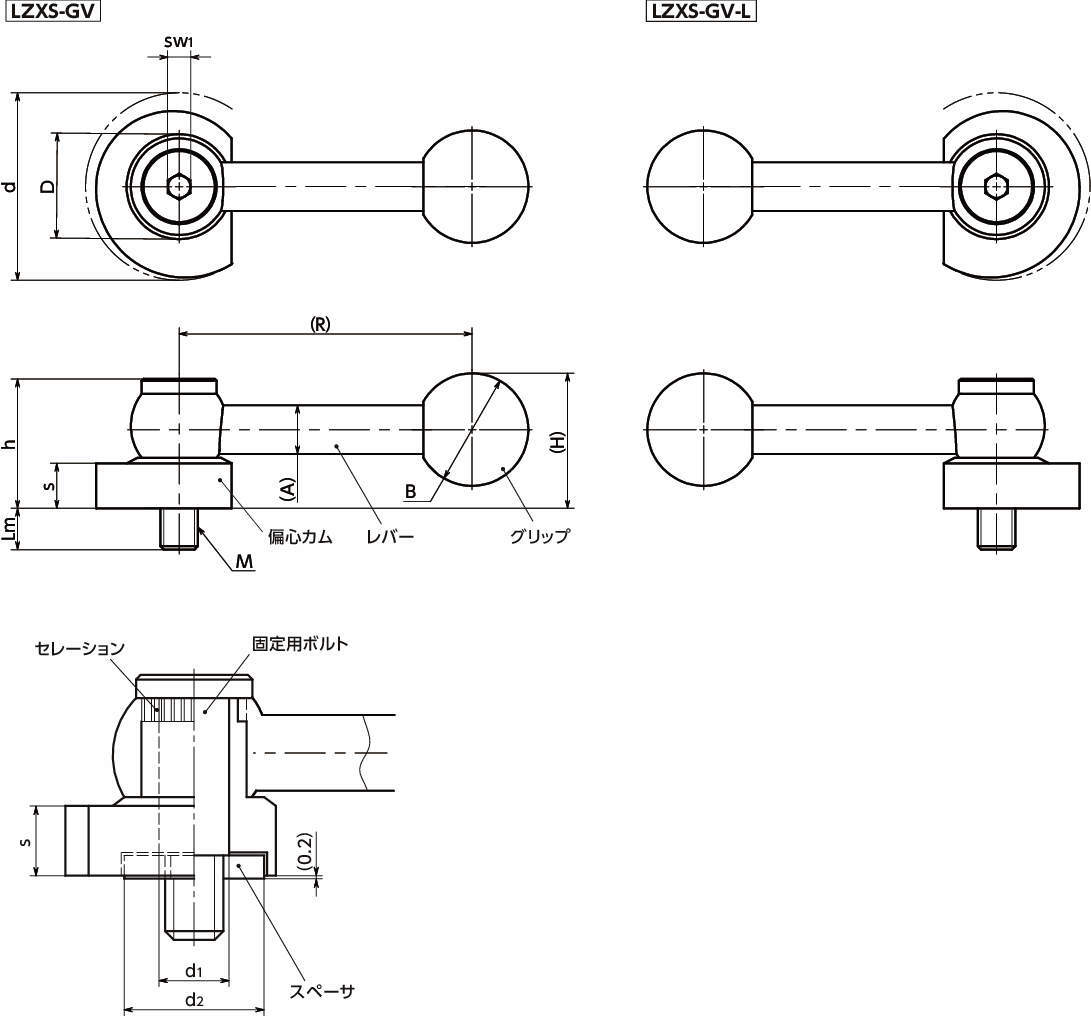
LZXS-GV
■あらゆるポジションで強力にワークをクランプ。すばやく、確実な操作が可能です。
■水平レバータイプ。上部スペースに制限がある場合に適しています。
【構造】
■カムレバーは、偏心カム・スペーサ・固定用ボルト・レバーで構成されています。
■取りつけは固定用ボルトを六角レンチで締めつけて行います。
■固定用ボルトを締めつけたあとでも、スペーサにより、偏心カムと取りつけ面との間にクリアランスが確保されて、偏心カムはスムーズに回転します。偏心カムを固定したままにしたい場合にはスペーサを取りはずしてください。
■偏心カムとレバーはセレーションによりかみ合っており、偏心カムに対するレバーの位置を組みつけの際に設定できます。
共通仕様
| 偏心カム | SUS303、無電解ニッケルメッキ |
|---|---|
| スペーサ | SUS630 |
| 固定用ボルト | SUS630 |
| レバー | SUS303 |
| グリップ | フェノール樹脂(黒) |

