1.5GT
-
1.5GT
-
1.5GT
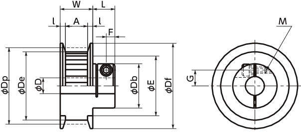
■歯ピッチ:1.5mm。
■BLP:バックラッシュ・レス・プーリーを採用。1歯あたりのバックラッシュは0(ゼロ)です。
■小型精密機器向けに最適です。
共通仕様
| 本体 | A2017 |
|---|---|
| 六角穴付きボルト | SCM435、四三酸化鉄皮膜(黒) |
鍋屋バイテック会社
1.5GT
1.5GT
1.5GT
■歯ピッチ:1.5mm。
■BLP:バックラッシュ・レス・プーリーを採用。1歯あたりのバックラッシュは0(ゼロ)です。
■小型精密機器向けに最適です。
| 本体 | A2017 |
|---|---|
| 六角穴付きボルト | SCM435、四三酸化鉄皮膜(黒) |
18件の型式
| 型式 | 歯形 | ピッチ | 適用ベルト幅 | 歯数 | Dp | De | Db | E | Df | W | A | I | L | F | G | M |
標準軸穴径 D |
ねじ締めつけ トルク (N・m) |
慣性モーメント (kg・m2) |
質量 (g) |
|---|---|---|---|---|---|---|---|---|---|---|---|---|---|---|---|---|---|---|---|---|
| P36-1.5GT-BLP-3C-3 | 1.5GT | 1.5 | 3 | 36 | 17.2 | 16.7 | 10 | 13 | 22 | 7.3 | 4 | 1.65 | 6 | 2.25 | 3 | M1.6 | 3 | 0.25 | 3.7×10^-7 | 8.8 |
| P38-1.5GT-BLP-3C-3 | 1.5GT | 1.5 | 3 | 38 | 18.1 | 17.7 | 10 | 13 | 22 | 7.3 | 4 | 1.65 | 6 | 2.25 | 3 | M1.6 | 3 | 0.25 | 4.1×10^-7 | 9.4 |
| P40-1.5GT-BLP-3C-3 | 1.5GT | 1.5 | 3 | 40 | 19.1 | 18.6 | 10 | 14 | 23 | 7.3 | 4 | 1.65 | 6 | 2.25 | 3 | M1.6 | 3 | 0.25 | 4.9×10^-7 | 10 |
| P42-1.5GT-BLP-3C-3 | 1.5GT | 1.5 | 3 | 42 | 20.1 | 19.6 | 12 | 15 | 24 | 7.3 | 4 | 1.65 | 7 | 2.75 | 4 | M2 | 3 | 0.5 | 6.1×10^-7 | 11 |
| P42-1.5GT-BLP-3C-4 | 1.5GT | 1.5 | 3 | 42 | 20.1 | 19.6 | 12 | 15 | 24 | 7.3 | 4 | 1.65 | 7 | 2.75 | 4 | M2 | 4 | 0.5 | 6.1×10^-7 | 11 |
| P42-1.5GT-BLP-3C-5 | 1.5GT | 1.5 | 3 | 42 | 20.1 | 19.6 | 12 | 15 | 24 | 7.3 | 4 | 1.65 | 7 | 2.75 | 4 | M2 | 5 | 0.5 | 6.1×10^-7 | 11 |
| P44-1.5GT-BLP-3C-3 | 1.5GT | 1.5 | 3 | 44 | 21 | 20.6 | 14 | 17 | 25 | 7.3 | 4 | 1.65 | 7 | 2.75 | 5 | M2 | 3 | 0.5 | 7.6×10^-7 | 13 |
| P44-1.5GT-BLP-3C-4 | 1.5GT | 1.5 | 3 | 44 | 21 | 20.6 | 14 | 17 | 25 | 7.3 | 4 | 1.65 | 7 | 2.75 | 5 | M2 | 4 | 0.5 | 7.6×10^-7 | 13 |
| P44-1.5GT-BLP-3C-5 | 1.5GT | 1.5 | 3 | 44 | 21 | 20.6 | 14 | 17 | 25 | 7.3 | 4 | 1.65 | 7 | 2.75 | 5 | M2 | 5 | 0.5 | 7.6×10^-7 | 13 |
| P44-1.5GT-BLP-3C-6 | 1.5GT | 1.5 | 3 | 44 | 21 | 20.6 | 14 | 17 | 25 | 7.3 | 4 | 1.65 | 7 | 2.75 | 5 | M2 | 6 | 0.5 | 7.6×10^-7 | 13 |
| 型式 | 商品コード | 単位 |
価格 (円) |
基準納期 | |
|---|---|---|---|---|---|
| 日伝 | メーカー | ||||
| P36-1.5GT-BLP-3C-3 | P36-1.5GT-BLP-3C-3 | P | 4,090 | - | 在庫品 |
| P38-1.5GT-BLP-3C-3 | P38-1.5GT-BLP-3C-3 | P | 4,240 | - | 在庫品 |
| P40-1.5GT-BLP-3C-3 | P40-1.5GT-BLP-3C-3 | P | 4,400 | - | 在庫品 |
| P42-1.5GT-BLP-3C-3 | P42-1.5GT-BLP-3C-3 | P | 4,490 | - | 在庫品 |
| P42-1.5GT-BLP-3C-4 | P42-1.5GT-BLP-3C-4 | P | 4,490 | - | 在庫品 |
| P42-1.5GT-BLP-3C-5 | P42-1.5GT-BLP-3C-5 | P | 4,490 | - | 在庫品 |
| P44-1.5GT-BLP-3C-3 | P44-1.5GT-BLP-3C-3 | P | 4,540 | - | 在庫品 |
| P44-1.5GT-BLP-3C-4 | P44-1.5GT-BLP-3C-4 | P | 4,540 | - | 在庫品 |
| P44-1.5GT-BLP-3C-5 | P44-1.5GT-BLP-3C-5 | P | 4,540 | - | 在庫品 |
| P44-1.5GT-BLP-3C-6 | P44-1.5GT-BLP-3C-6 | P | 4,540 | - | 在庫品 |
製品についてのご質問やお困りごとなどお気軽にご相談ください!