2GT
-
2GT
-
2GT 4mm
-
2GT 6mm
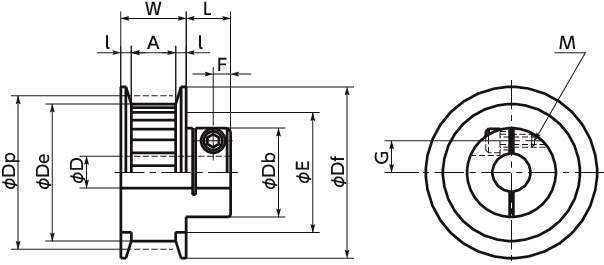
■歯ピッチ:2mm。
■BLP:バックラッシュ・レス・プーリーを採用。1歯あたりのバックラッシュは0(ゼロ)です。
■小型精密機器向けに最適です。
共通仕様
| 本体 | A2017 |
|---|---|
| 六角穴付きボルト | SCM435、四三酸化鉄皮膜(黒) |
鍋屋バイテック会社
2GT
2GT
2GT 4mm
2GT 6mm
■歯ピッチ:2mm。
■BLP:バックラッシュ・レス・プーリーを採用。1歯あたりのバックラッシュは0(ゼロ)です。
■小型精密機器向けに最適です。
| 本体 | A2017 |
|---|---|
| 六角穴付きボルト | SCM435、四三酸化鉄皮膜(黒) |
108件の型式
| 型式 | 歯形 | ピッチ | 適用ベルト幅 | 歯数 | Dp | De | Db | E | Df | W | A | I | L | F | G | M |
標準軸穴径 D |
ねじ締めつけ トルク (N・m) |
慣性モーメント (kg・m2) |
質量 (g) |
|---|---|---|---|---|---|---|---|---|---|---|---|---|---|---|---|---|---|---|---|---|
| P27-2GT-BLP-4C-3 | 2GT | 2 | 4 | 27 | 17.2 | 16.7 | 10 | 13 | 22 | 8.3 | 5 | 1.65 | 6 | 2.25 | 3 | M1.6 | 3 | 0.25 | 3.9×10^-7 | 9.4 |
| P28-2GT-BLP-4C-3 | 2GT | 2 | 4 | 28 | 17.8 | 17.3 | 10 | 14 | 23 | 8.3 | 5 | 1.65 | 6 | 2.25 | 3 | M1.6 | 3 | 0.25 | 4.6×10^-7 | 10 |
| P29-2GT-BLP-4C-3 | 2GT | 2 | 4 | 29 | 18.5 | 18 | 10 | 14 | 23 | 8.3 | 5 | 1.65 | 6 | 2.25 | 3 | M1.6 | 3 | 0.25 | 4.9×10^-7 | 11 |
| P30-2GT-BLP-4C-3 | 2GT | 2 | 4 | 30 | 19.1 | 18.6 | 12 | 15 | 24 | 8.3 | 5 | 1.65 | 7 | 2.75 | 4 | M2 | 3 | 0.5 | 5.9×10^-7 | 12 |
| P30-2GT-BLP-4C-4 | 2GT | 2 | 4 | 30 | 19.1 | 18.6 | 12 | 15 | 24 | 8.3 | 5 | 1.65 | 7 | 2.75 | 4 | M2 | 4 | 0.5 | 5.9×10^-7 | 12 |
| P30-2GT-BLP-4C-5 | 2GT | 2 | 4 | 30 | 19.1 | 18.6 | 12 | 15 | 24 | 8.3 | 5 | 1.65 | 7 | 2.75 | 4 | M2 | 5 | 0.5 | 5.9×10^-7 | 12 |
| P32-2GT-BLP-4C-3 | 2GT | 2 | 4 | 32 | 20.4 | 19.9 | 12 | 17 | 25 | 8.3 | 5 | 1.65 | 7 | 2.75 | 4 | M2 | 3 | 0.5 | 7.3×10^-7 | 13 |
| P32-2GT-BLP-4C-4 | 2GT | 2 | 4 | 32 | 20.4 | 19.9 | 12 | 17 | 25 | 8.3 | 5 | 1.65 | 7 | 2.75 | 4 | M2 | 4 | 0.5 | 7.3×10^-7 | 13 |
| P32-2GT-BLP-4C-5 | 2GT | 2 | 4 | 32 | 20.4 | 19.9 | 12 | 17 | 25 | 8.3 | 5 | 1.65 | 7 | 2.75 | 4 | M2 | 5 | 0.5 | 7.3×10^-7 | 13 |
| P34-2GT-BLP-4C-3 | 2GT | 2 | 4 | 34 | 21.7 | 21.1 | 14 | 18 | 27 | 8.3 | 5 | 1.65 | 7 | 2.75 | 5 | M2 | 3 | 0.5 | 9.7×10^-7 | 15 |
| 型式 | 商品コード | 単位 |
価格 (円) |
基準納期 | |
|---|---|---|---|---|---|
| 日伝 | メーカー | ||||
| P27-2GT-BLP-4C-3 | P27-2GT-BLP-4C-3 | P | 4,080 | - | 在庫品 |
| P28-2GT-BLP-4C-3 | P28-2GT-BLP-4C-3 | P | 4,130 | - | 在庫品 |
| P29-2GT-BLP-4C-3 | P29-2GT-BLP-4C-3 | P | 4,200 | - | 在庫品 |
| P30-2GT-BLP-4C-3 | P30-2GT-BLP-4C-3 | P | 4,300 | - | 在庫品 |
| P30-2GT-BLP-4C-4 | P30-2GT-BLP-4C-4 | P | 4,300 | - | 在庫品 |
| P30-2GT-BLP-4C-5 | P30-2GT-BLP-4C-5 | P | 4,300 | - | 在庫品 |
| P32-2GT-BLP-4C-3 | P32-2GT-BLP-4C-3 | P | 4,360 | - | 在庫品 |
| P32-2GT-BLP-4C-4 | P32-2GT-BLP-4C-4 | P | 4,360 | - | 在庫品 |
| P32-2GT-BLP-4C-5 | P32-2GT-BLP-4C-5 | P | 4,360 | - | 在庫品 |
| P34-2GT-BLP-4C-3 | P34-2GT-BLP-4C-3 | P | 4,650 | - | 在庫品 |
製品についてのご質問やお困りごとなどお気軽にご相談ください!