FQRM
-
FQRM
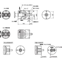
・専用スタッド「FQR-S」を使用することで、工具不要で部品や機器・装置どうしを位置決め・接続できます。
・本体は取りつけねじで機器・装置に取りつけます。
・くり返し段取りを行う箇所やドライバーなどの工具が使いにくい箇所に。治具や生産ラインなどに当て板、保護カバー、その他アクセサリを効率的に取りつけることができます。
・ロック状態からロック解除状態への操作はセーフティロックボタンを押しながらスリーブをセーフティロックボタンの方向に移動させます。ロック解除状態からロック状態への操作はスリーブをセーフティロックボタンとは反対の方向に移動させます。
・セーフティロックボタンは意図しないロック解除を防止します。
・ロック解除時には赤いリングが外側に露出するため、作業者がロック解除状態を認識しやすいデザインです。
・クイックリリースジョイントは専用スタッド「FQR-S」接続時に空転します。
・φ6の位置決め穴には必要に応じて位置決めピンを取り付けることができます。位置決めピンを使用することで、「FQRM」と取りつけ相手の意図せぬ回転を防ぐことができます。
※位置決めピンは付属していません。
・フロートタイプはおねじ部品と本体の間にあそびがあり、同一装置に「FQRM」を複数使用する場合など、ラジアルおよびアキシアル方向のオフセットを補正する必要がある場合に適しています。
・フロートタイプを使用する場合、ラジアル方向のあそびを有効にするために、取りつけ相手側のピン穴を「FQRM」のあそびに合わせて大きくする必要があります。
・フィックスタイプにはおねじ部分と本体の間のあそびがありません。
・取りつけねじは強度区分8.8以上を満たしています。(JIS B 1051:2014準拠)
共通仕様
| 本体 | アルミニウム アルマイト処理(黒) |
|---|---|
| ロック機構 | スティール 亜鉛メッキ |
| 取つけねじ | スティール |
| 使用可能温度 | -30℃~120℃ |

