FQR-S
-
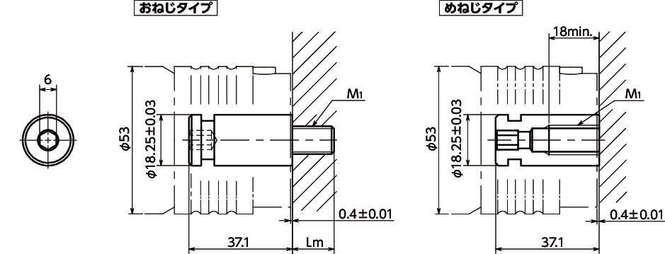
FQR-S
・「FQRM」「FQRF」専用スタッド。
・クイックリリースジョイントに使用することで、工具不要で部品や機器・装置どうしを位置決め・接続できます。
・おねじタイプ・めねじタイプがあります。
・おねじタイプの取りつけ相手のめねじ穴、ナットは強度区分8以上を満たす必要があります。(JIS B 1052-2:2014準拠)
・めねじタイプの取りつけねじは強度区分8.8以上を満たす必要があります。(JIS B 1051:2014準拠)
共通仕様
| 本体 | スティール 亜鉛メッキ |
|---|

