LZX-GVS
-
LZX-GVS
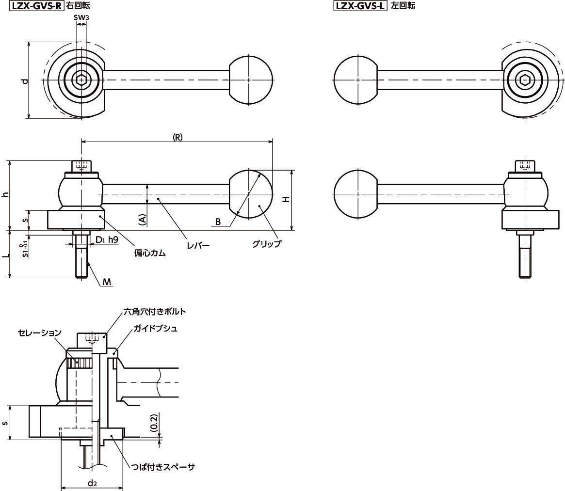
・偏心カムを利用した締結用のレバー。横方向への締めつけが無段階に調整できます。
・あらゆるポジションで強力にワークをクランプ。すばやく、確実な操作が可能です。
・水平レバータイプ。上部スペースに制限がある場合に適しています。
・相手部材に前面から六角穴付きボルトで取りつけます。六角穴付きボルトは豊富なねじ長さをラインアップ。取りつける相手部材に適した長さを選択できます。
・つば付きスペーサが横方向からの荷重を受け、六角穴付きボルトの破損を防止します。
・偏心カムは焼き入れ済み。耐摩耗性にすぐれています。
・商品記号により、回転方向が選択できます。
LZX-GVS-R:右回転
LZX-GVS-L:左回転
<構造>
・カムレバーは、偏心カム・つば付きスペーサ・ガイドブシュ・六角穴付きボルト・レバーで構成されています。
・取りつけは前面から六角穴付きボルトで行います。
・六角穴付きボルトを締めつけたあとでも、つば付きスペーサにより、偏心カムと取りつけ面との間にクリアランスが確保されて、偏心カムはスムーズに回転します。
・偏心カムとレバーはセレーションによりかみ合っており、偏心カムに対するレバーの位置を組みつけの際に設定できます。
共通仕様
| 偏心カム | スティール 浸炭窒化 |
|---|---|
| つば付きスペーサ | スティール 浸炭窒化 |
| ガイドブシュ | スティール 浸炭窒化 |
| 六角穴付きボルト(DIN912) | スティール |
| 六角穴付きボルト強度区分 | 12.9 |
| レバー | スティール 四三酸化鉄皮膜(黒) |
| グリップ | フェノール樹脂(黒) |

