LZX-GVB
-
LZX-GVB
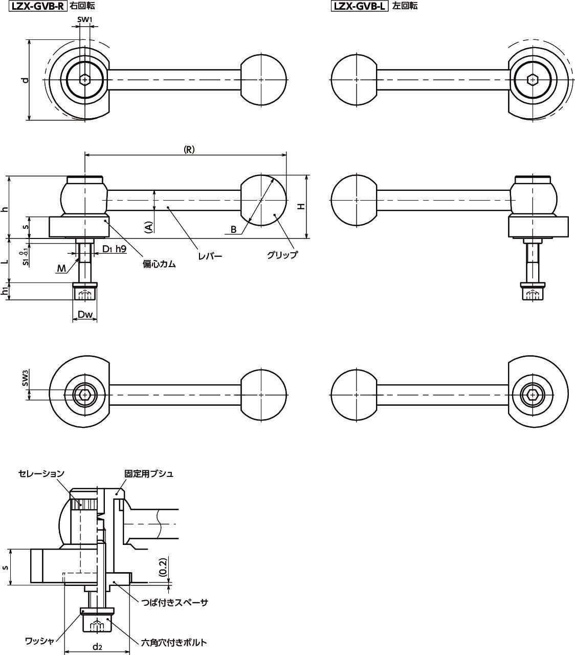
・偏心カムを利用した締結用のレバー。横方向への締めつけが無段階に調整できます。
・あらゆるポジションで強力にワークをクランプ。すばやく、確実な操作が可能です。
・水平レバータイプ。上部スペースに制限がある場合に適しています。
・相手部材をはさみ込むようにして、背面から六角穴付きボルトで取りつけます。固定用ブシュの内部にねじ穴加工済み。相手部材に取りつけ用のねじ穴がない場合でも使用できます。
・つば付きスペーサが横方向からの荷重を受け、六角穴付きボルトの破損を防止します。
・偏心カムは焼入れ済み。耐摩耗性にすぐれています。
・商品記号により、回転方向が選択できます。
LZX-GVB-R:右回転
LZX-GVB-L:左回転
<構造>
・カムレバーは、偏心カム・つば付きスペーサ・固定用ブシュ・六角穴付きボルト・ワッシャ・レバーで構成されています。
・取りつけは、背面から六角穴付きボルトで相手部材をはさみ込むように行います。
・六角穴付きボルトを締めつけたあとでも、つば付きスペーサにより、偏心カムと取りつけ面との間にクリアランスが確保されて、偏心カムはスムーズに回転します。
・偏心カムとレバーはセレーションによりかみ合っており、偏心カムに対するレバーの位置を組みつけの際に設定できます。
共通仕様
| 偏心カム | スティール 浸炭窒化 |
|---|---|
| つば付きスペーサ | スティール 浸炭窒化 |
| 固定用ブシュ | スティール 浸炭窒化 |
| 六角穴付きボルト(DIN912) | スティール |
| 六角穴付きボルト強化区分 | 12.9 |
| ワッシャ | スティール |
| レバー | スティール 四三酸化鉄皮膜(黒) |
| グリップ | フェノール樹脂(黒) |

