TSOA
-
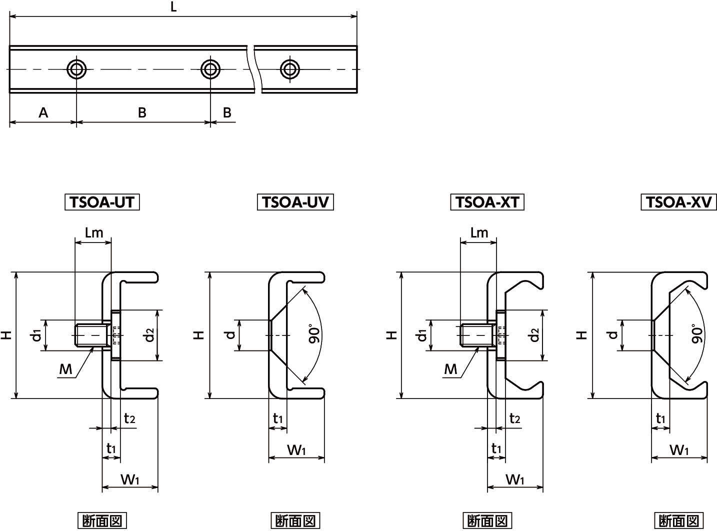
TSOA
・耐久性・静粛性にすぐれたローラガイドレールです。
・安定性があり、高速移動に対応しています。
・カムローラキャリッジ「TSOB」またはカムローラ「TSOC」と組み合わせて使用します。
・自由側と固定側のローラガイドレールを組み合わせることにより、位置ずれを許容します。
<用途>
・引き出し・スライドドア・キャビネット・各種産業設備・車両設備・家具など
共通仕様
| 本体 | スティール 三価クロメート処理 転走面硬化処理・研磨 |
|---|---|
| 専用平頭ねじ | スティール 三価クロメート処理 |

