TSOB
-
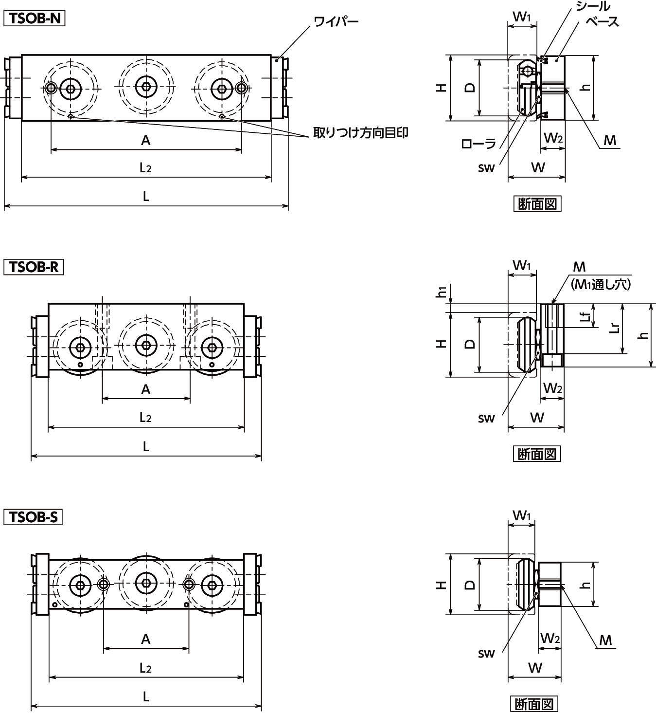
TSOB
・耐久性・静粛性にすぐれたカムローラキャリッジです。
・安定性があり、高速移動に対応しています。
・水平方向・垂直方向どちらの移動にも使用が可能です。
・ローラガイドレール「TSOA」と組み合わせてご使用ください。
・中央には偏心ローラ「TSOC-E」を配置。ローラガイドレールとのクリアランス調整が可能です。
・「TSOB-N」はシールつき。ローラへの汚れの付着を防止します。
・クリアランス調整には同梱の専用レンチ「TSQ」をご使用ください。
<用途>
・引き出し・スライドドア・キャビネット・各種産業設備・車両設備・家具など
共通仕様
| ベース | TSOB-N・TSOB-R:アルミニウム TSOB-S:スティール 三価クロメート処理 |
|---|---|
| ローラ | スティール 焼入れ |
| ワイパー | PUR(グレー) スティール 亜鉛メッキ |
| シール | TSOB-N:PUR |
| 専用レンチ | スティール 亜鉛メッキ |

