RSAB
-
RSAB
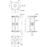
・ロボットスタンド「RSA-**」と組み合わせて、高さ850mm以上にかさ上げする鋳鉄製架台です。可搬重量3kg~20kgの協働ロボットに対応しています。適用ロボット・ロボットスタンド一覧をご確認ください。
・品番の末尾記号により取りつけタイプを選択できます。
末尾記号「A」:アンカーボルトタイプ
末尾記号「B」:ベースプレートタイプ
・ロボットスタンドベース側面のねじ穴は、空気圧機器などの取りつけにご利用できます。
<使用上の注意>
アンカーボルトの設置時
・設置面の平面度、傾きをロボットメーカ推奨時以内にしてください。
・設置時はM20かつ、最大引張荷重41.4kN以上を満たすアンカーボルトをご使用ください。
ベースプレート設置時
・ベースプレートの仕様はロボットの取扱説明書をご参照ください。または、ロボットメーカーにお問い合わせください。
・ロボットスタンド・ロボットスタンドベース・ベースプレートそれぞれを締結する際は強度区分12.9を満たすねじをご使用ください。また、はめ合い長さは1.5d以上を目安に取りつけを行ってください。
共通仕様
| 材質・仕上げ | FC250 塗装(青色) |
|---|

