NQTS
-
NQTS
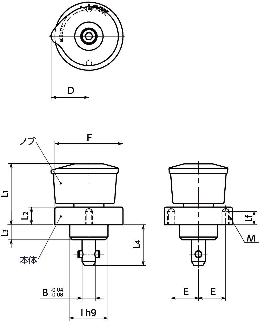
・工具不要で専用カムベースと組み合わせて治具の脱着作業を容易にします。
・ノブを90°回転させるだけでクランプ・アンクランプ操作が可能なため、くり返し作業に最適です。
・ノブは握りやすい丸みを帯びた逆テーパ形状、本体の刻印は耐蝕性を損なわないレーザ刻印です。
・ノブの突起とレーザ刻印により、クランプ形状が一目で確認できます。
・ノブの操作部は動作テストを5万回クリア。すぐれた耐久性により、部品の交換頻度を削減できます。
・取りつけ用の六角穴付きボルトを2本付属しています。
・3mm以上6mm未満の板への取りつけは、専用スペーサ「NQTS-SPCR」をご使用ください。
共通仕様
| 本体 | SUS303 |
|---|---|
| ノブ | ガラス繊維強化ナイロン |
| 六角穴付きボルト | ステンレス |

