NQTB-N
-
NQTB-N
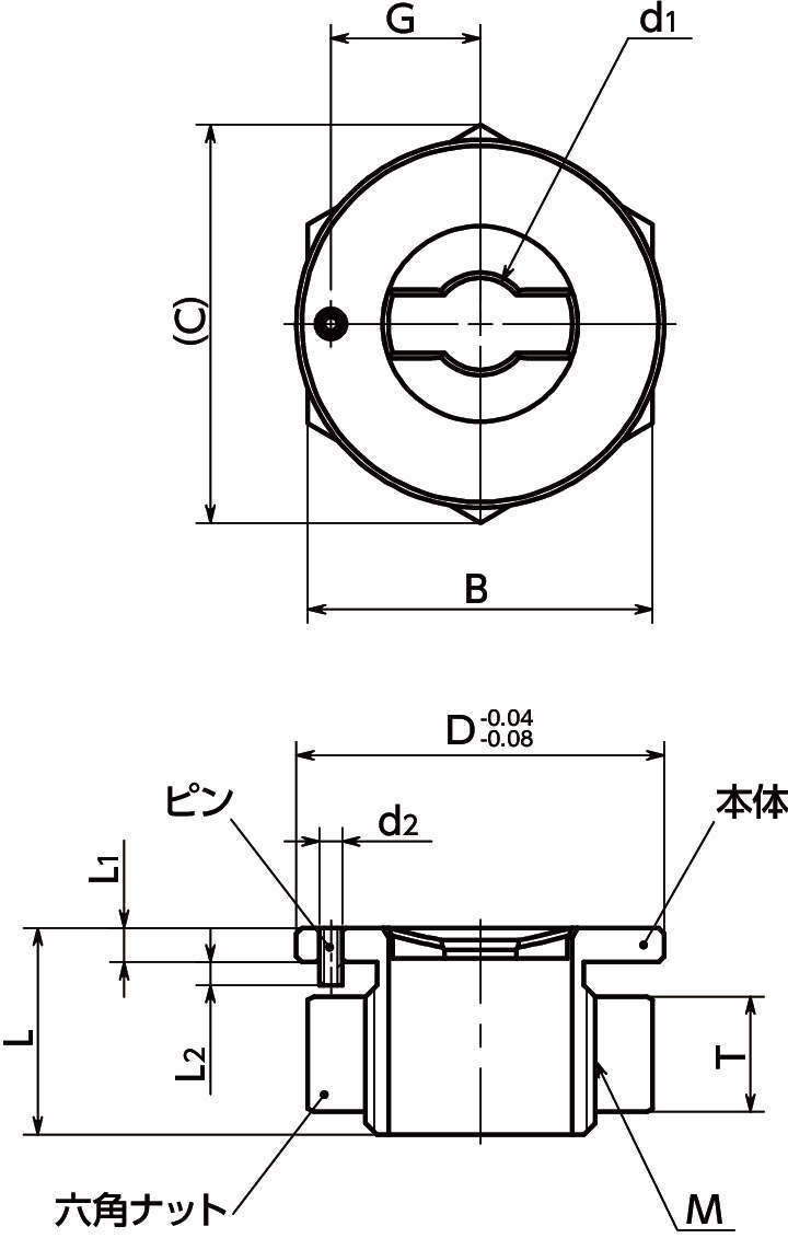
・クイッククランプファスナ「NQTS」「NQTS-NI」「NQTS-F」「NQTS-F-NI」を取りつけるための専用カムベース。
・クランプ部は、クイッククランプファスナのクランプピンを挿入しやすいテーパ形状です。
共通仕様
| 本体 | SCM440 無電解ニッケルメッキ |
|---|---|
| 六角穴付きボルト | SUS304相当 |
鍋屋バイテック会社
NQTB-N
NQTB-N
・クイッククランプファスナ「NQTS」「NQTS-NI」「NQTS-F」「NQTS-F-NI」を取りつけるための専用カムベース。
・クランプ部は、クイッククランプファスナのクランプピンを挿入しやすいテーパ形状です。
| 本体 | SCM440 無電解ニッケルメッキ |
|---|---|
| 六角穴付きボルト | SUS304相当 |
2件の型式
| 型式 |
D (mm) |
L (mm) |
M(細目) |
L1 (mm) |
d1 (mm) |
d2 (mm) |
G (mm) |
L2 (mm) |
B (mm) |
T (mm) |
C (mm) |
適用板厚 (mm) |
適用クイッククランプファスナ |
質量 (g) |
|
|---|---|---|---|---|---|---|---|---|---|---|---|---|---|---|---|
| ねじの呼び | ピッチ | ||||||||||||||
| NQTB-5-N | 25 | 16 | M14 | 1.5 | 3 | 5 | 2 | 10.5 | 2 | 22 | 8 | 25.4 | 6~10 | NQTS-5-BK、NQTS-5-F-BK、NQTS-5-NI、NQTS-5-F-NI | 37 |
| NQTB-8-N | 32 | 18 | M20 | 1.5 | 3 | 8 | 2 | 13 | 2 | 30 | 10 | 34.6 | 6~12 | NQTS-8-BK、NQTS-8-L-BK、NQTS-8-F-BK、NQTS-8-NI、NQTS-8-L-NI、NQTS-8-F-NI | 70 |
| 型式 | 商品コード | 単位 |
価格 (円) |
基準納期 | |
|---|---|---|---|---|---|
| 日伝 | メーカー | ||||
| NQTB-5-N | NQTB-5-N | P | 4,340 | - | - |
| NQTB-8-N | NQTB-8-N | P | 4,340 | - | - |
製品についてのご質問やお困りごとなどお気軽にご相談ください!