モノづくりの困ったを解決する総合サイト

Produced by

鍋屋バイテック会社

クイッククランプファスナ用カムベース 薄板用 NQTBS-N

NQTBS-N

  • NQTBS-N

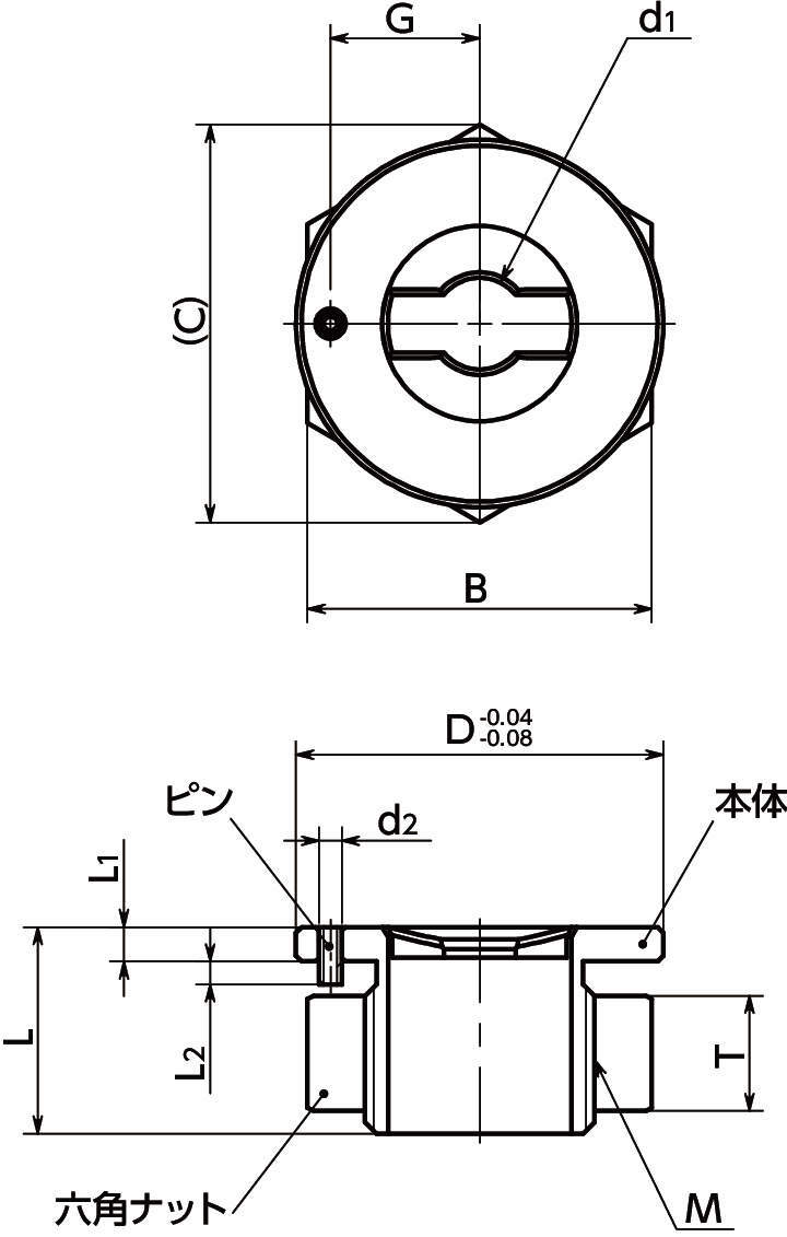
・クイッククランプファスナ「NQTS」「NQTS-NI」「NQTS-F」「NQTS-F-NI」を取りつけるための専用カムベース。
・クランプ部は、クイッククランプファスナのクランプピンを挿入しやすいテーパ形状です。
・ステンレス製。耐蝕性にすぐれています。

共通仕様

本体 SUS630相当
六角穴付きボルト SUS304相当

CADメーカーTOP

詳細仕様

  • 2件中 1-2件

  • 表示件数

2件の型式

型式 D
(mm)
L
(mm)
M(細目) L1
(mm)
d1
(mm)
d2
(mm)
G
(mm)
L2
(mm)
B
(mm)
T
(mm)
C
(mm)
適用板厚
(mm)
適用クイッククランプファスナ 質量
(g)
ねじの呼び ピッチ
NQTBS-5-N 25 16 M14 1.5 3 5 2 10.5 2 22 8 25.4 6~10 NQTS-5-BK、NQTS-5-F-BK、NQTS-5-NI、NQTS-5-F-NI 37
NQTBS-8-N 32 18 M20 1.5 3 8 2 13 2 30 10 34.6 6~12 NQTS-8-BK、NQTS-8-L-BK、NQTS-8-F-BK、NQTS-8-NI、NQTS-8-L-NI、NQTS-8-F-NI 70

型式 商品コード 単位 価格
(円)
基準納期
日伝 メーカー
NQTBS-5-N NQTBS-5-N P 5,380 - -
NQTBS-8-N NQTBS-8-N P 5,930 - -

関連製品

この製品を見た人はこのような製品も見ています

1952年設立で、動力伝導機器・産業機器・制御機器等の機械設備及び機械器具関連製品の販売をしている専門総合商社です。
日本国内で40以上の拠点を持ち、信頼性の高い製品と技術力で、全国のものづくりに携わる方々のあらゆるお困りごとを解決しています。

Loading...