NQTS-SPCR
-
NQTS-SPCR
・「NQTS」「NQTS-NI」「NQTS-F」「NQTS-F-NI」「NQTS-PH」「NQTS-PH-NI」を薄板に取りつけるためのスペーサ。
・ステンレス製。耐蝕性にすぐれています。
・取りつけ用の六角穴付き皿ボルトを2本付属しています。
共通仕様
| 本体 | SUS303 |
|---|---|
| 六角穴付き皿ボルト | ステンレス |
鍋屋バイテック会社
NQTS-SPCR
NQTS-SPCR
・「NQTS」「NQTS-NI」「NQTS-F」「NQTS-F-NI」「NQTS-PH」「NQTS-PH-NI」を薄板に取りつけるためのスペーサ。
・ステンレス製。耐蝕性にすぐれています。
・取りつけ用の六角穴付き皿ボルトを2本付属しています。
| 本体 | SUS303 |
|---|---|
| 六角穴付き皿ボルト | ステンレス |
2件の型式
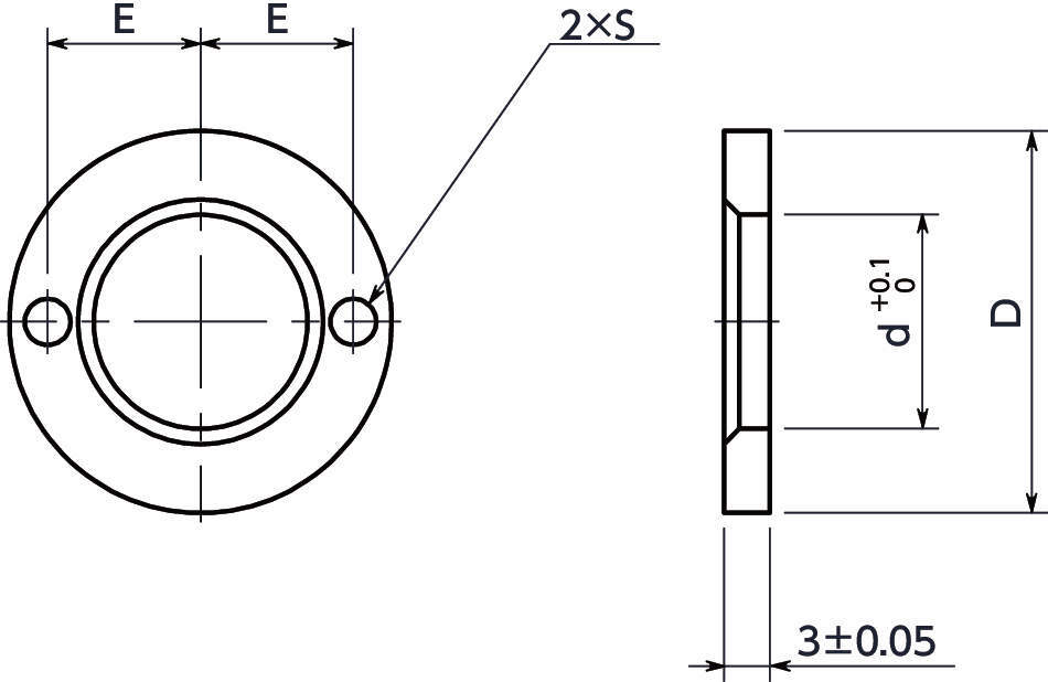
| 型式 |
D (mm) |
d (mm) |
E (mm) |
S (mm) |
適用板厚 (mm) |
適用 クイッククランプファスナ |
質量 (g) |
|---|---|---|---|---|---|---|---|
| NQTS-5-SPCR | 25 | 14 | 10 | 3 | 3~6 | NQTS-5-BK、NQTS-5-F-BK、NQTS-5-NI、NQTS-5-F-NI、NQTS-6-PH-BK、NQTS-6-PH-NI | 9 |
| NQTS-8-SPCR | 34 | 18 | 13 | 3.5 | 3~6 | NQTS-8-BK、NQTS-8-F-BK、NQTS-8-PH-BK、NQTS-8-NI、NQTS-8-F-NI、NQTS-8-PH-NI | 16 |
| 型式 | 商品コード | 単位 |
価格 (円) |
基準納期 | |
|---|---|---|---|---|---|
| 日伝 | メーカー | ||||
| NQTS-5-SPCR | NQTS-5-SPCR | P | 1,570 | - | - |
| NQTS-8-SPCR | NQTS-8-SPCR | P | 1,830 | - | - |
製品についてのご質問やお困りごとなどお気軽にご相談ください!