SRS6A
-
SRS6A
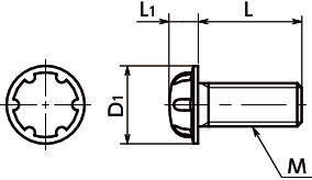
・頭部は6つの溝を備えた丸形の特殊形状。
・アルミニウム合金製。比重はステンレス鋼の約33%です。
・アルミニウム合金との接触による電触の発生がありません。
・耐蝕性・電気伝導性・熱伝導性にすぐれています。
・ペンチを含む通常の工具では、取りつけ・取りはずしができません。
・取りつけ・取りはずしには専用ビット「SKRS6K」と専用マグネットドライバ「SRD」と組み合わせてご使用ください。
<用途>
・機器・装置の分解・いたずら防止
・屋外設備の盗難防止
・セキュリティー対策
・安全対策
共通仕様
| 本体 | A5056 |
|---|

