SPE-MC1
-
SPE-MC1
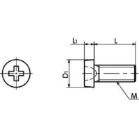
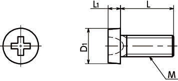
・PEEK製の精密機器用微細ねじ(0番1種)。
・PEEKは、物理的・化学的特性にすぐれた熱可塑性スーパーエンジニアリングプラスティックです。
・すぐれた耐薬品性。濃硫酸・濃硝酸・濃ふっ化水素酸以外の薬品にほとんど侵されません。
・耐熱性・耐水性にすぐれ、高い耐熱強度を保持します。
・耐摩耗性・耐衝撃性・耐疲労性にすぐれています。
・UL規格94のV-0をクリアする高い難燃性があります。
・取りつけ・取りはずしには専用ビット「SKCHB」と専用マグネットドライバ「SRD」を組み合わせてご使用ください。
<用途>
・FPD製造装置/半導体製造装置/プリント基板エッチング装置/金属表面処理設備/化学プラント/変圧器/電気・電子機器/熱水ポンプ/ケミカルポンプ
共通仕様
| 本体 | PEEK(ピーク:ポリエーテルエーテルケトン)(うす茶) |
|---|---|
| 耐熱温度 | 260℃ ※樹脂素材の値です。商品の使用可能温度は、締めつけトルクなどの使用条件により変わります。 |

