SPA-MC1
-
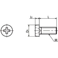
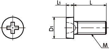
SPA-MC1
・RENY製の精密機器用微細ねじ(0番1種)
・RENYは引張強さ・曲げ強さにすぐれた熱可塑性エンジニアリングプラスティックです。
・耐疲労性・クリープ特性・断熱性にすぐれています。
・金属に近い強度がありながら、質量は鉄の約1/5です。
・取りつけ・取りはずしには専用ビット「SKCHB」と専用マグネットドライバ「SRD」を組み合わせてご使用ください。
<用途>
・冷蔵・冷凍設備の断熱・結露防止
・電気・電子機器/海洋機器/メッキ設備
共通仕様
| 本体 | RENY(ガラス繊維50%強化ポリアミドMXD6)(アイボリ) |
|---|---|
| 耐熱温度 | 105℃ ※樹脂素材の値です。商品の使用可能温度は、締めつけトルクなどの使用条件により変わります。 |

