SVT
-
SVT
-
SVTS
-
SVTS
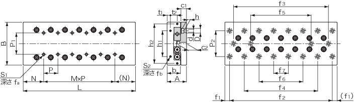
・NBスライドテーブルはスライドウェイを組み込んだ精密テーブルです。
・精密研削加工されたテーブルとベッドの間にSV形軌道台が組み込まれています。
・SVTS形はアルミ製のテーブルとベットに耐食形スライドウェイSVS形が組み込まれています。
日本ベアリング
SVT
SVT
SVTS
SVTS
・NBスライドテーブルはスライドウェイを組み込んだ精密テーブルです。
・精密研削加工されたテーブルとベッドの間にSV形軌道台が組み込まれています。
・SVTS形はアルミ製のテーブルとベットに耐食形スライドウェイSVS形が組み込まれています。
103件の型式
| 型式 | 材質 |
ストローク ST (mm) |
主要寸法 | テーブル面取付穴寸法 | ベッド面取付穴寸法 | 精度(振れ) |
基本動定格荷重 C (N) |
基本静定格荷重 C0 (N) |
許容荷重 F (N) |
静的許容モーメント |
質量 (g) |
||||||||||||||||||||||
|---|---|---|---|---|---|---|---|---|---|---|---|---|---|---|---|---|---|---|---|---|---|---|---|---|---|---|---|---|---|---|---|---|---|
| A | B | L (mm) | b (mm) | P1 (mm) | S1 | fa (mm) | N (mm) | M×P (mm) | P2 (mm) | d×D×h (mm) | c1 (mm) | c2 (mm) | f1 (mm) | f2 (mm) | f3 (mm) | f4 (mm) | f5(mm) | f6 (mm) | f7 (mm) | T (μm) | S (μm) | MP (N・m) | MY (N・m) | MR (N・m) | |||||||||
| (mm) | 公差 | (mm) | 公差 | ||||||||||||||||||||||||||||||
| SVT1025 | 標準(スチール製) | 12 | 17 | ±0.1 | 30 | -0.2/-0.4 | 25 | 11 | 10 | M2 | 4 | 12.5 | - | 22 | 2.5×4.5×2.5 | 5.5 | 9 | 3.5 | 18 | - | - | - | - | - | 2 | 4 | 464 | 476 | 158 | 1.79 | 1.47 | 3.22 | 82 |
| SVT1035 | 標準(スチール製) | 18 | 17 | ±0.1 | 30 | -0.2/-0.4 | 35 | 11 | 10 | M2 | 4 | 12.5 | 1×10 | 22 | 2.5×4.5×2.5 | 5.5 | 9 | 3.5 | 28 | - | - | - | - | - | 2 | 4 | 805 | 952 | 316 | 3.08 | 3.5 | 6.45 | 120 |
| SVT1045 | 標準(スチール製) | 25 | 17 | ±0.1 | 30 | -0.2/-0.4 | 45 | 11 | 10 | M2 | 4 | 12.5 | 2×10 | 22 | 2.5×4.5×2.5 | 5.5 | 9 | 3.5 | 38 | - | - | - | - | - | 2 | 4 | 959 | 1190 | 396 | 6.98 | 6.4 | 8.06 | 158 |
| SVT1055 | 標準(スチール製) | 32 | 17 | ±0.1 | 30 | -0.2/-0.4 | 55 | 11 | 10 | M2 | 4 | 12.5 | 3×10 | 22 | 2.5×4.5×2.5 | 5.5 | 9 | 3.5 | 48 | - | 28 | - | - | - | 2 | 5 | 1100 | 1420 | 475 | 9.53 | 8.81 | 9.68 | 190 |
| SVT1065 | 標準(スチール製) | 40 | 17 | ±0.1 | 30 | -0.2/-0.4 | 65 | 11 | 10 | M2 | 4 | 12.5 | 4×10 | 22 | 2.5×4.5×2.5 | 5.5 | 9 | 3.5 | 58 | - | 38 | - | - | - | 2 | 5 | 1240 | 1660 | 554 | 12.4 | 11.6 | 11.2 | 225 |
| SVT1075 | 標準(スチール製) | 45 | 17 | ±0.1 | 30 | -0.2/-0.4 | 75 | 11 | 10 | M2 | 4 | 12.5 | 5×10 | 22 | 2.5×4.5×2.5 | 5.5 | 9 | 3.5 | 68 | - | 48 | - | - | - | 2 | 5 | 1510 | 2140 | 712 | 19.3 | 18.3 | 14.5 | 260 |
| SVT1085 | 標準(スチール製) | 50 | 17 | ±0.1 | 30 | -0.2/-0.4 | 85 | 11 | 10 | M2 | 4 | 12.5 | 6×10 | 22 | 2.5×4.5×2.5 | 5.5 | 9 | 3.5 | 78 | - | 58 | - | - | - | 2 | 5 | 1650 | 2380 | 792 | 23.4 | 22.3 | 16.1 | 295 |
| SVT2035 | 標準(スチール製) | 18 | 21 | ±0.1 | 40 | -0.2/-0.4 | 35 | 14 | 15 | M3 | 6 | 17.5 | - | 30 | 3.5×6.5×3.5 | 6.5 | 10.9 | 5 | 25 | - | - | - | - | - | 2 | 4 | 1090 | 1170 | 390 | 7.04 | 5.78 | 10.5 | 195 |
| SVT2050 | 標準(スチール製) | 30 | 21 | ±0.1 | 40 | -0.2/-0.4 | 50 | 14 | 15 | M3 | 6 | 17.5 | 1×15 | 30 | 3.5×6.5×3.5 | 6.5 | 10.9 | 5 | 40 | - | - | - | - | - | 2 | 4 | 1510 | 1750 | 585 | 12.1 | 10.7 | 15.8 | 280 |
| SVT2065 | 標準(スチール製) | 40 | 21 | ±0.1 | 40 | -0.2/-0.4 | 65 | 14 | 15 | M3 | 6 | 17.5 | 2×15 | 30 | 3.5×6.5×3.5 | 6.5 | 10.9 | 5 | 55 | - | - | - | - | - | 2 | 5 | 1900 | 2340 | 780 | 19.1 | 17.1 | 21.1 | 370 |
| 型式 | 商品コード | 単位 |
価格 (円) |
基準納期 | |
|---|---|---|---|---|---|
| 日伝 | メーカー | ||||
| SVT1025 | SVT1025 | P | 28,600 | - | - |
| SVT1035 | SVT1035 | P | 31,700 | - | - |
| SVT1045 | SVT1045 | P | 36,400 | - | - |
| SVT1055 | SVT1055 | P | 42,900 | - | - |
| SVT1065 | SVT1065 | P | 48,200 | - | - |
| SVT1075 | SVT1075 | P | 53,400 | - | - |
| SVT1085 | SVT1085 | P | 58,500 | - | - |
| SVT2035 | SVT2035 | P | 24,100 | - | - |
| SVT2050 | SVT2050 | P | 29,800 | - | - |
| SVT2065 | SVT2065 | P | 34,100 | - | - |
製品についてのご質問やお困りごとなどお気軽にご相談ください!