SYT
-
SYT
-
SYT
-
SYTS
・NBスライドテーブルはスライドウェイを組み込んだ精密テーブルです。
・一体形の軌道台を使用した薄形・コンパクトなスライドテーブルです。
・タップタイプとザグリ穴タイプ(D形)の2種類の取付が用意されており、状況にあわせて選択できます。
・耐食形のSYTS形はすべての構成部品をステンレス鋼で製作しています。
日本ベアリング
SYT
SYT
SYT
SYTS
・NBスライドテーブルはスライドウェイを組み込んだ精密テーブルです。
・一体形の軌道台を使用した薄形・コンパクトなスライドテーブルです。
・タップタイプとザグリ穴タイプ(D形)の2種類の取付が用意されており、状況にあわせて選択できます。
・耐食形のSYTS形はすべての構成部品をステンレス鋼で製作しています。
84件の型式
| 型式 | 材質 |
ストローク ST (mm) |
主要寸法 | テーブル面取付穴寸法 | ベッド面取付穴寸法 | 精度(振れ) |
基本動定格荷重 C (N) |
基本静定格荷重 C0 (N) |
許容荷重 F (N) |
静的許容モーメント |
質量 (g) |
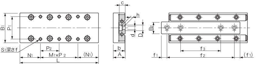
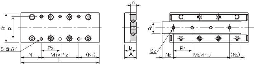
取付穴 | ||||||||||||||||||||
|---|---|---|---|---|---|---|---|---|---|---|---|---|---|---|---|---|---|---|---|---|---|---|---|---|---|---|---|---|---|---|---|---|
| A | B1 | L (mm) | b (mm) | B2 (mm) | c (mm) | P1 (mm) | S1 | f (mm) | N1 (mm) | M1×P2 (mm) | S2 | N2 (mm) | M2×P3 (mm) | d×D×h (mm) | f1 (mm) | f2 (mm) | f3 (mm) | T (μm) | S (μm) | MP (N・m) | MY (N・m) | MR (N・m) | ||||||||||
| (mm) | 公差 | (mm) | 公差 | |||||||||||||||||||||||||||||
| SYT1025-D | 標準(スチール製) | 12 | 8 | ±0.1 | 20 | ±0.1 | 25 | 7.5 | 6.6 | 4 | 14 | M2.6 | 3 | 3.5 | 1X18 | - | - | - | 2.5×4.1×2.2 | 3.5 | 18 | - | 2 | 4 | 464 | 476 | 158 | 1.79 | 1.47 | 1.79 | 22 | サグリ穴 |
| SYT1035-D | 標準(スチール製) | 18 | 8 | ±0.1 | 20 | ±0.1 | 35 | 7.5 | 6.6 | 4 | 14 | M2.6 | 3 | 3.5 | 1X28 | - | - | - | 2.5×4.1×2.2 | 5 | 25 | - | 2 | 4 | 805 | 952 | 316 | 3.08 | 3.50 | 3.58 | 33 | サグリ穴 |
| SYT1045-D | 標準(スチール製) | 25 | 8 | ±0.1 | 20 | ±0.1 | 45 | 7.5 | 6.6 | 4 | 14 | M2.6 | 3 | 12.5 | 1X20 | - | - | - | 2.5×4.1×2.2 | 3.5 | 38 | 25 | 2 | 5 | 959 | 1190 | 396 | 6.98 | 6.40 | 4.48 | 42 | サグリ穴 |
| SYT1055-D | 標準(スチール製) | 32 | 8 | ±0.1 | 20 | ±0.1 | 55 | 7.5 | 6.6 | 4 | 14 | M2.6 | 3 | 12.5 | 1X30 | - | - | - | 2.5×4.1×2.2 | 3.5 | 48 | 29 | 2 | 5 | 1100 | 1420 | 475 | 9.53 | 8.81 | 5.37 | 52 | サグリ穴 |
| SYT1065-D | 標準(スチール製) | 40 | 8 | ±0.1 | 20 | ±0.1 | 65 | 7.5 | 6.6 | 4 | 14 | M2.6 | 3 | 12.5 | 2X20 | - | - | - | 2.5×4.1×2.2 | 5 | 55 | 31 | 2 | 5 | 1240 | 1660 | 554 | 12.4 | 11.6 | 6.27 | 63 | サグリ穴 |
| SYT1075-D | 標準(スチール製) | 45 | 8 | ±0.1 | 20 | ±0.1 | 75 | 7.5 | 6.6 | 4 | 14 | M2.6 | 3 | 22.5 | 1X30 | - | - | - | 2.5×4.1×2.2 | 5 | 65 | 35 | 2 | 5 | 1510 | 2140 | 712 | 19.3 | 18.3 | 8.06 | 72 | サグリ穴 |
| SYT1085-D | 標準(スチール製) | 50 | 8 | ±0.1 | 20 | ±0.1 | 85 | 7.5 | 6.6 | 4 | 14 | M2.6 | 3 | 12.5 | 2X30 | - | - | - | 2.5×4.1×2.2 | 5 | 75 | 40 | 2 | 5 | 1650 | 2380 | 792 | 23.4 | 22.3 | 8.96 | 83 | サグリ穴 |
| SYT2035-D | 標準(スチール製) | 18 | 12 | ±0.1 | 30 | ±0.1 | 35 | 11.5 | 12 | 6 | 22 | M3 | 5 | 3.5 | 1X28 | - | - | - | 3.5×6×3.3 | 5 | 25 | - | 2 | 4 | 1090 | 1170 | 390 | 7.04 | 5.78 | 7.63 | 79 | サグリ穴 |
| SYT2050-D | 標準(スチール製) | 30 | 12 | ±0.1 | 30 | ±0.1 | 50 | 11.5 | 12 | 6 | 22 | M3 | 5 | 3.5 | 1X43 | - | - | - | 3.5×6×3.3 | 7.5 | 35 | - | 2 | 4 | 1510 | 1750 | 585 | 12.1 | 10.7 | 11.4 | 113 | サグリ穴 |
| SYT2065-D | 標準(スチール製) | 40 | 12 | ±0.1 | 30 | ±0.1 | 65 | 11.5 | 12 | 6 | 22 | M3 | 5 | 17.5 | 1X30 | - | - | - | 3.5×6×3.3 | 5 | 55 | 33 | 2 | 5 | 1900 | 2340 | 780 | 19.1 | 17.1 | 15.2 | 150 | サグリ穴 |
| 型式 | 商品コード | 単位 |
価格 (円) |
基準納期 | |
|---|---|---|---|---|---|
| 日伝 | メーカー | ||||
| SYT1025-D | SYT1025-D | P | 24,000 | - | - |
| SYT1035-D | SYT1035-D | P | 27,300 | - | - |
| SYT1045-D | SYT1045-D | P | 31,900 | - | - |
| SYT1055-D | SYT1055-D | P | 36,100 | - | - |
| SYT1065-D | SYT1065-D | P | 39,600 | - | - |
| SYT1075-D | SYT1075-D | P | 43,500 | - | - |
| SYT1085-D | SYT1085-D | P | 47,900 | - | - |
| SYT2035-D | SYT2035-D | P | 24,400 | - | - |
| SYT2050-D | SYT2050-D | P | 28,200 | - | - |
| SYT2065-D | SYT2065-D | P | 33,500 | - | - |
製品についてのご質問やお困りごとなどお気軽にご相談ください!