SMA-WR
-
SMA-WR
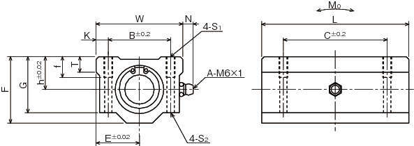
・アルミ製のハウジングを使用した最も一般的なスライドロータリーユニットです。
日本ベアリング
SMA-WR
SMA-WR
・アルミ製のハウジングを使用した最も一般的なスライドロータリーユニットです。
10件の型式
| 型式 | シリーズ | 保持器の種類 | シールの種類 |
軸径 (mm) |
外形寸法(mm) | 取付寸法(mm) | 基本定格荷重(N) | 許容回転数(rpm) | |||||||||||||
|---|---|---|---|---|---|---|---|---|---|---|---|---|---|---|---|---|---|---|---|---|---|
| h | E | W | L | F | G | T | N | B | C | K | S1 | f | S2 | 動 C | 静 C0 | ||||||
| SMA6RW | SMA-RW | スチール | シールなし | 6 | 9 | 15 | 30 | 48 | 18 | 15 | 6 | 7 | 20 | 36 | 5 | M4 | 8 | 3.4 | 126 | 352 | 300 |
| SMA8RW | SMA-RW | スチール | シールなし | 8 | 11 | 17 | 34 | 58 | 22 | 18 | 6 | 7 | 24 | 42 | 5 | M4 | 8 | 3.4 | 222 | 628 | 300 |
| SMA10RW | SMA-RW | スチール | シールなし | 10 | 13 | 20 | 40 | 68 | 26 | 21 | 8 | 7 | 28 | 46 | 6 | M5 | 12 | 4.3 | 254 | 744 | 300 |
| SMA12RW | SMA-RW | スチール | シールなし | 12 | 15 | 21 | 42 | 70 | 28 | 24 | 8 | 6.5 | 30.5 | 50 | 5.75 | M5 | 12 | 4.3 | 444 | 1180 | 300 |
| SMA13RW | SMA-RW | スチール | シールなし | 13 | 15 | 22 | 44 | 75 | 30 | 24.5 | 8 | 6.5 | 33 | 50 | 5.5 | M5 | 12 | 4.3 | 523 | 1370 | 300 |
| SMA16RW | SMA-RW | スチール | シールなし | 16 | 19 | 25 | 50 | 85 | 38.5 | 32.5 | 9 | 6 | 36 | 60 | 7 | M5 | 12 | 4.3 | 731 | 1760 | 250 |
| SMA20RW | SMA-RW | スチール | シールなし | 20 | 21 | 27 | 54 | 96 | 41 | 35 | 11 | 7 | 40 | 70 | 7 | M6 | 12 | 5.2 | 1050 | 2360 | 250 |
| SMA25RW | SMA-RW | スチール | シールなし | 25 | 26 | 38 | 76 | 130 | 51.5 | 42 | 12 | 4 | 54 | 100 | 11 | M8 | 18 | 7 | 1430 | 3720 | 250 |
| SMA30RW | SMA-RW | スチール | シールなし | 30 | 30 | 39 | 78 | 140 | 59.5 | 49 | 15 | 5 | 58 | 110 | 10 | M8 | 18 | 7 | 1910 | 5300 | 200 |
| SMA40RW | SMA-RW | スチール | シールなし | 40 | 40 | 51 | 102 | 175 | 78 | 62 | 20 | 5 | 80 | 140 | 11 | M10 | 25 | 8.7 | 3180 | 8040 | 200 |
| 型式 | 商品コード | 単位 |
価格 (円) |
基準納期 | |
|---|---|---|---|---|---|
| 日伝 | メーカー | ||||
| SMA6RW | SMA6RW | P | 23,900 | - | - |
| SMA8RW | SMA8RW | P | 25,310 | - | - |
| SMA10RW | SMA10RW | P | 27,200 | - | - |
| SMA12RW | SMA12RW | P | 28,530 | - | - |
| SMA13RW | SMA13RW | P | 30,110 | - | - |
| SMA16RW | SMA16RW | P | 33,210 | - | - |
| SMA20RW | SMA20RW | P | 38,980 | - | - |
| SMA25RW | SMA25RW | P | 50,950 | - | - |
| SMA30RW | SMA30RW | P | 64,240 | - | - |
| SMA40RW | SMA40RW | P | 115,510 | - | - |
製品についてのご質問やお困りごとなどお気軽にご相談ください!