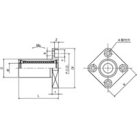
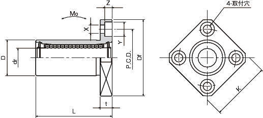
NBスライドブッシュはボールの転がり運動を利用したリニアブッシュ(直動案内機構)です
・NBスライドブッシュはボールの転がり運動を利用した直動案内機構です。
・簡単な機構で低摩擦の直線運動が得られるため、搬送装置、食品機械・半導体製造装置など多岐にわたって使用されます。
・NBスライドブッシュは円筒形状の外筒に保持器が組み込まれ、保持器の案内部はボールが滑らかに循環できるように設計・制作されており、滑らかな直線運動を可能にしています。
空間の有効利用でコンパクトな機構
・NBスライドブッシュは丸軸を案内に使用しているので、空間が有効に利用でき、コンパクトな機構設計に適しています。
互換性
・NBスライドブッシュには完全な互換性があり、シャフトとランダムに組合わせて使用可能です。
低摩擦
・搬送面は精密研削加工で滑らかに仕上がっており、ボールと転送面の接触面積が小さいことから、他の直線運動機構に比べて低摩擦を実現しております。

