RK
-
RK
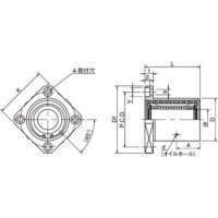
■NBスライドロータリーブッシュ RK 形は、スムースでエンドレスな直線運動に加え、回転運動の機能をも具備した高精度で剛性の大きい軸受です。
■直線・回転という複合的運動機能が制約なく得られる構造となっており、直線運動用軸受と回転用軸受との併用による従来の方法に比較して、大幅なコンパクト化が図られています。
■NBスライドロータリーブッシュRK形は、SR形ストロークブッシュと同形の保持器を採用し、高速回転運動に対してもスムースに追従します。
■直線運動部はスライドブッシュSM形を利用しており安定した直線運動を得ることができます。
■大きなボールを使用しており、高負荷に耐えることができます。

